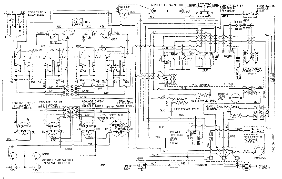
JER8850ACW 08 – WIRING INFORMATIONadmin2025-04-26T09:18:53+00:00JER8850ACW 08 – WIRING INFORMATION ProductsPositionProduct1MAY 15002772