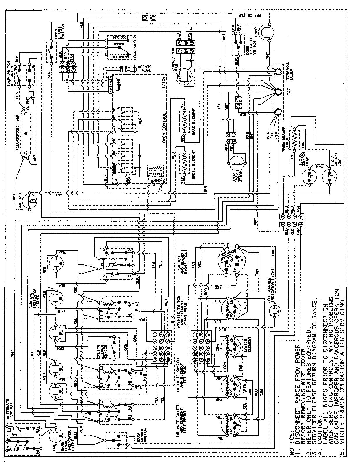
JER8850BAQ 07 – WIRING INFORMATIONadmin2025-04-26T09:21:24+00:00JER8850BAQ 07 – WIRING INFORMATION ProductsPositionProductNIMAY 15002899NIMAY 15003099NIMAY 15003139NIMAY 15003141