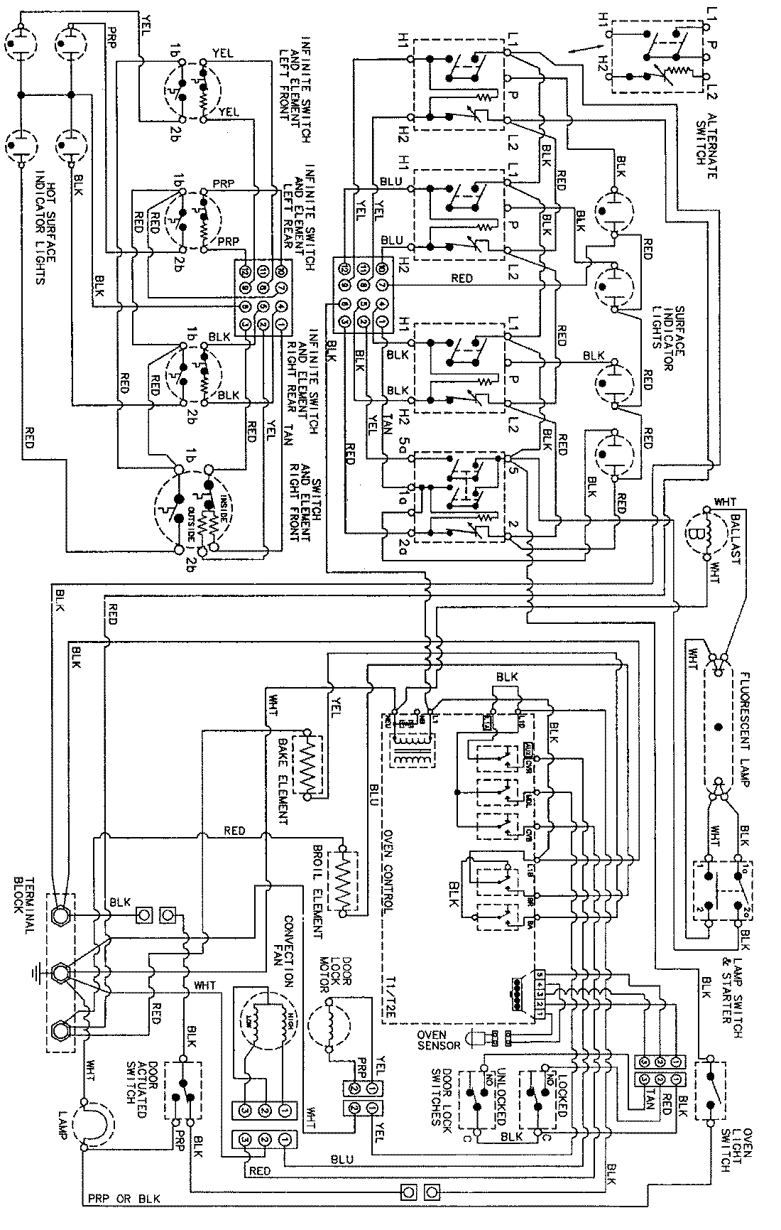
JER8855AAS 06 – WIRING INFORMATIONadmin2025-04-26T09:22:24+00:00JER8855AAS 06 – WIRING INFORMATION ProductsPositionProductNIMAY 15002344