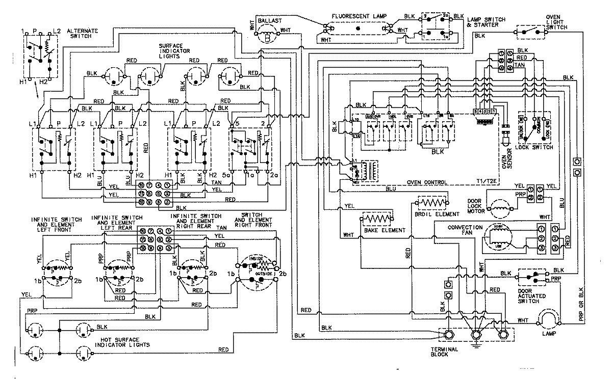
JER8855AAS 07 – WIRING INFORMATION

JER8855AAS 07 – WIRING INFORMATION

Products

PositionProduct
NIMAY 15002776