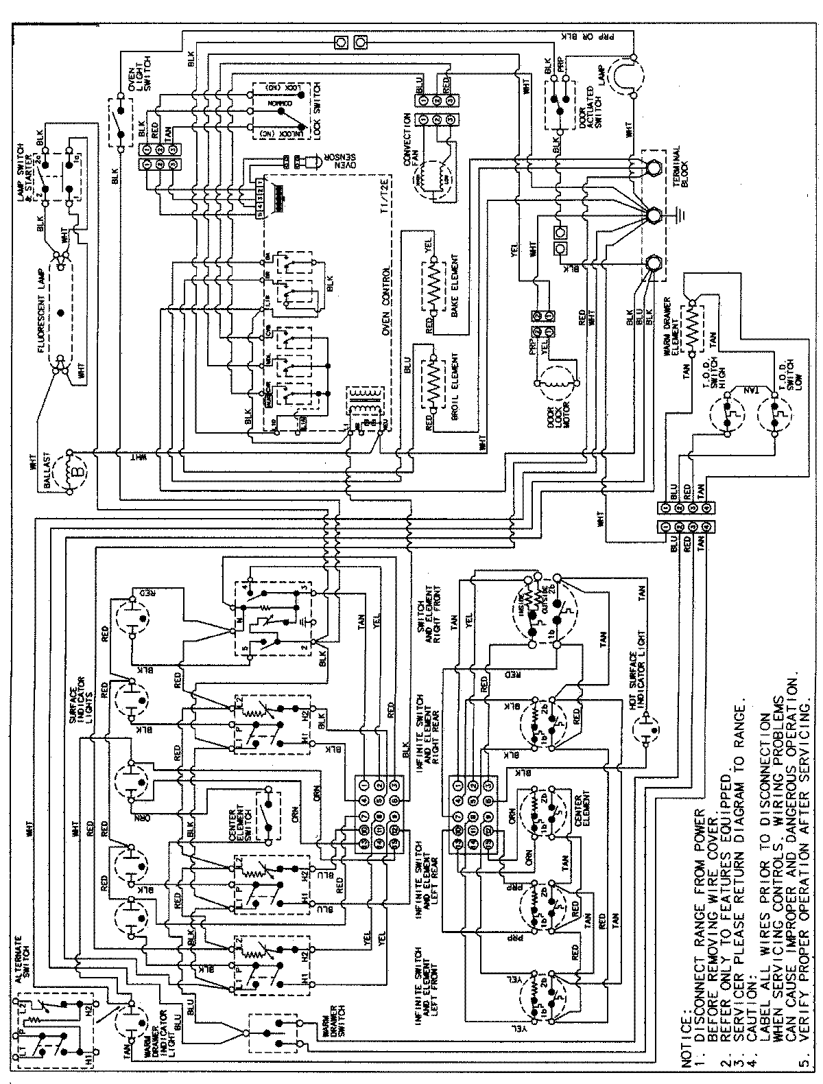
JER8855BAS 07 – WIRING INFORMATIONadmin2025-04-26T09:20:08+00:00JER8855BAS 07 – WIRING INFORMATION ProductsPositionProductNIMAY 15002899NIMAY 15003099NIMAY 15003139