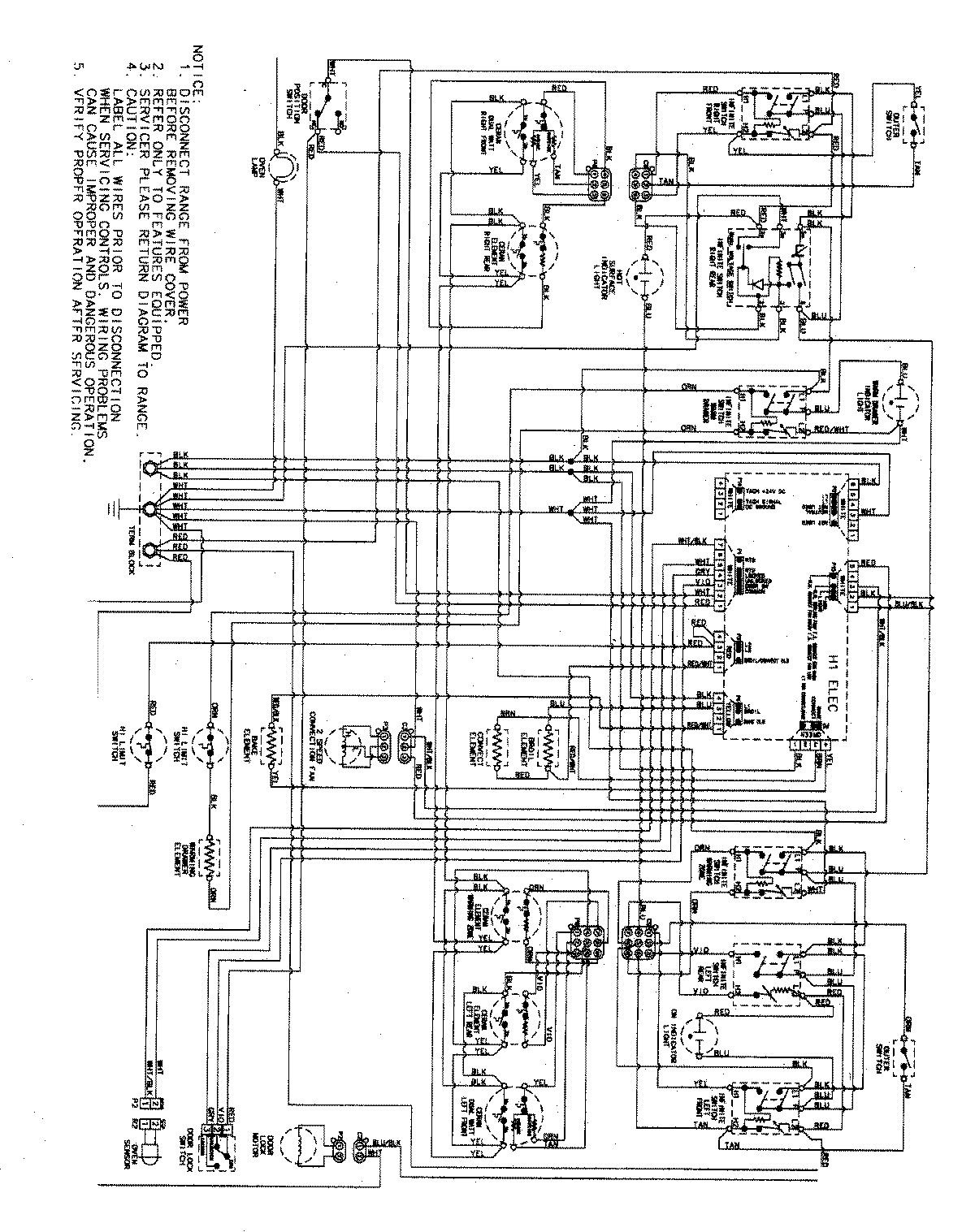
JER8885QAB 06 – WIRING INFORMATIONadmin2025-04-26T09:18:48+00:00JER8885QAB 06 – WIRING INFORMATION ProductsPositionProductNIMAY 15003689