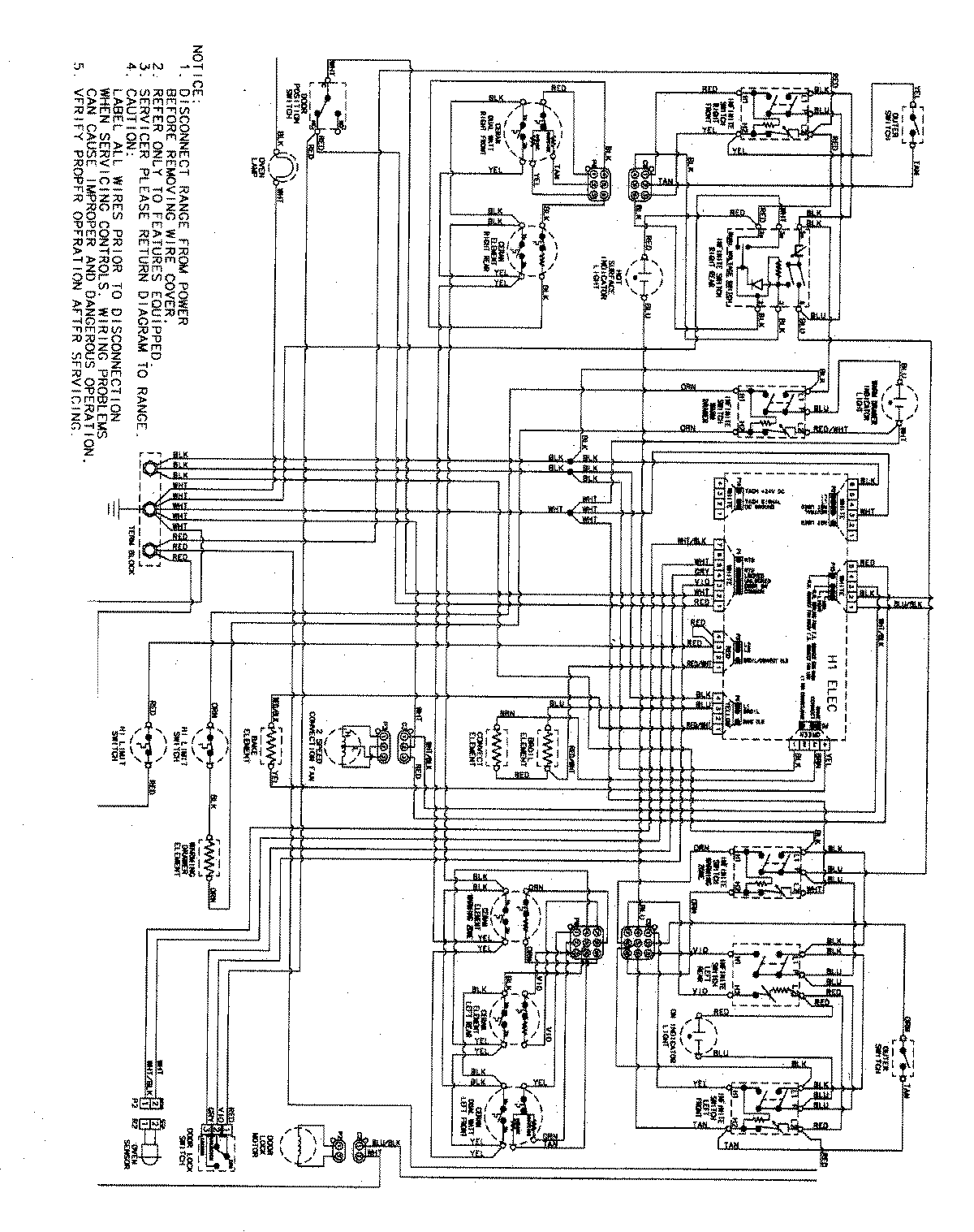
JER8885QAF 06 – WIRING INFORMATIONadmin2025-04-26T09:19:47+00:00JER8885QAF 06 – WIRING INFORMATION ProductsPositionProductNIMAY 15003689