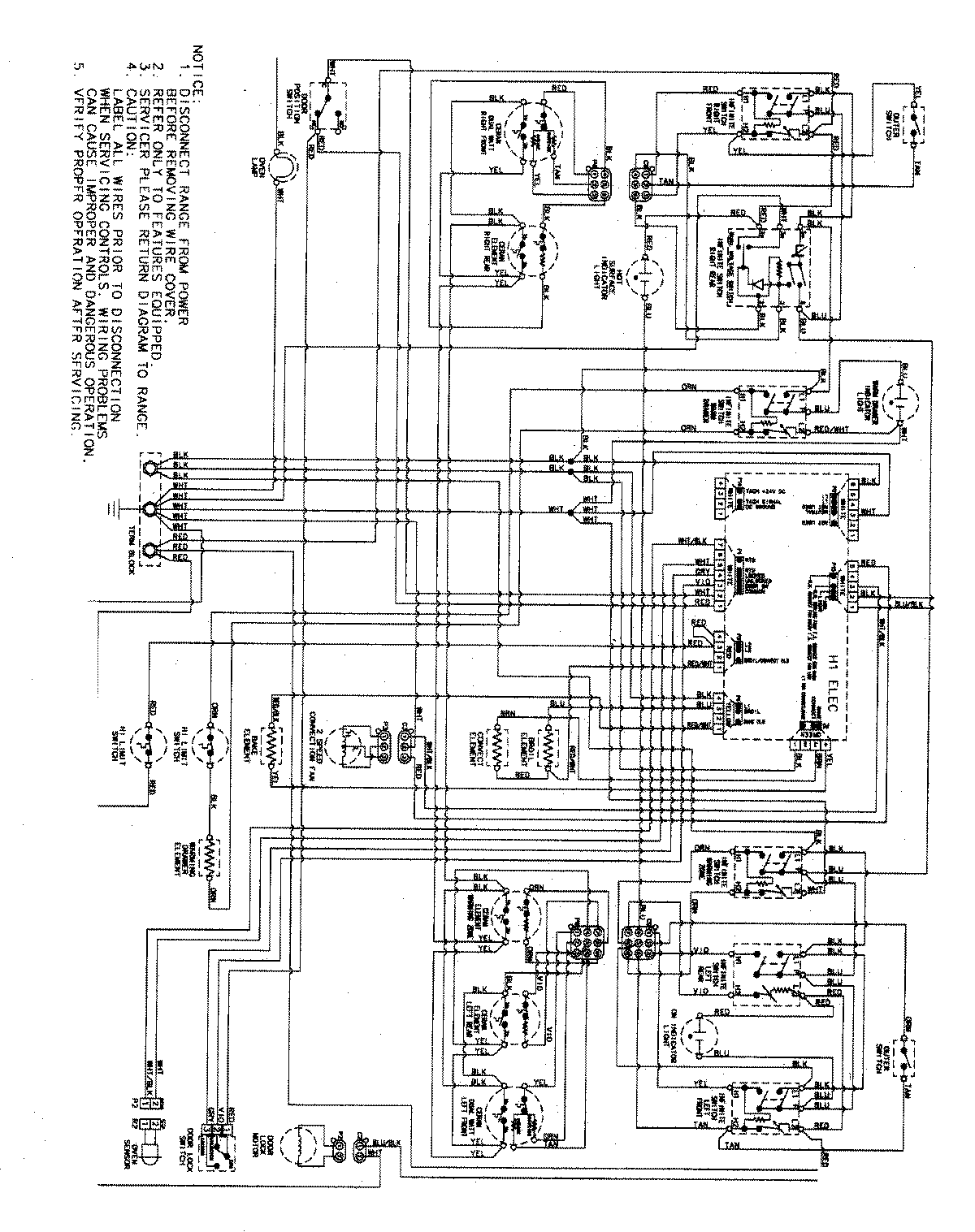
JER8885QAS 06 – WIRING INFORMATION

JER8885QAS 06 – WIRING INFORMATION

Products

PositionProduct
NIMAY 15003689