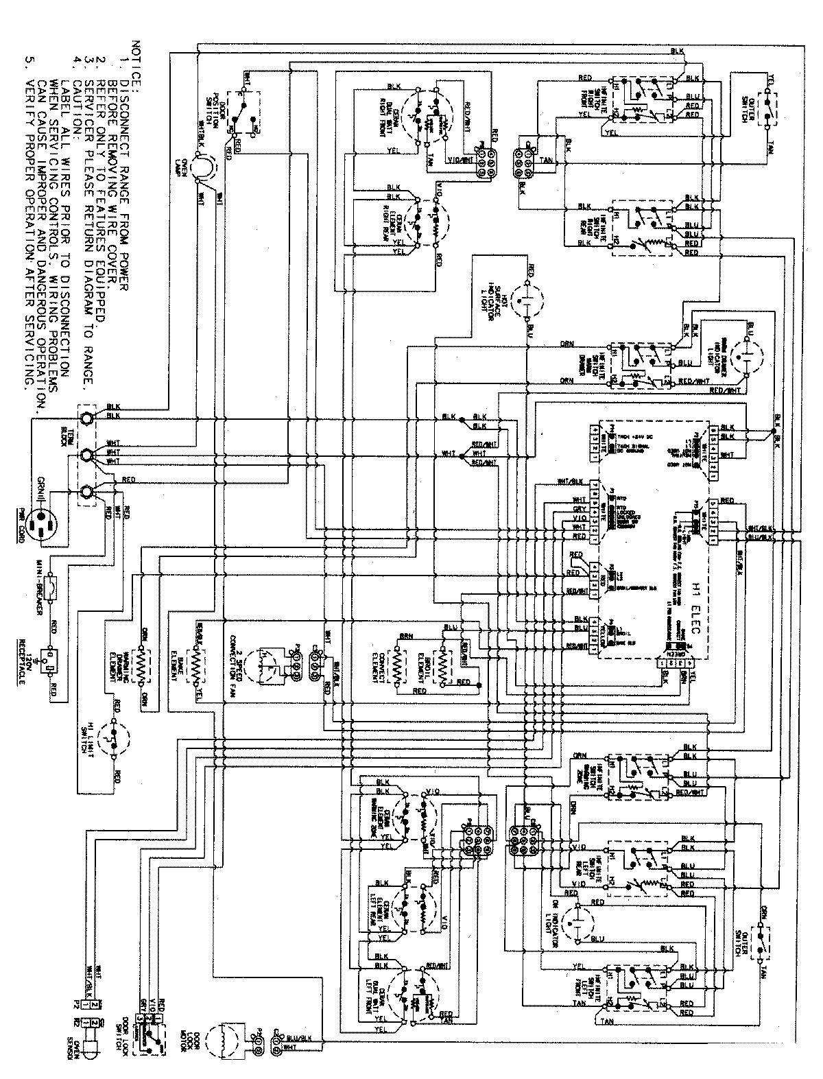
JER8885QCB 05 – WIRING INFORMATIONadmin2025-04-26T09:20:40+00:00JER8885QCB 05 – WIRING INFORMATION ProductsPositionProductNIMAY 15003384