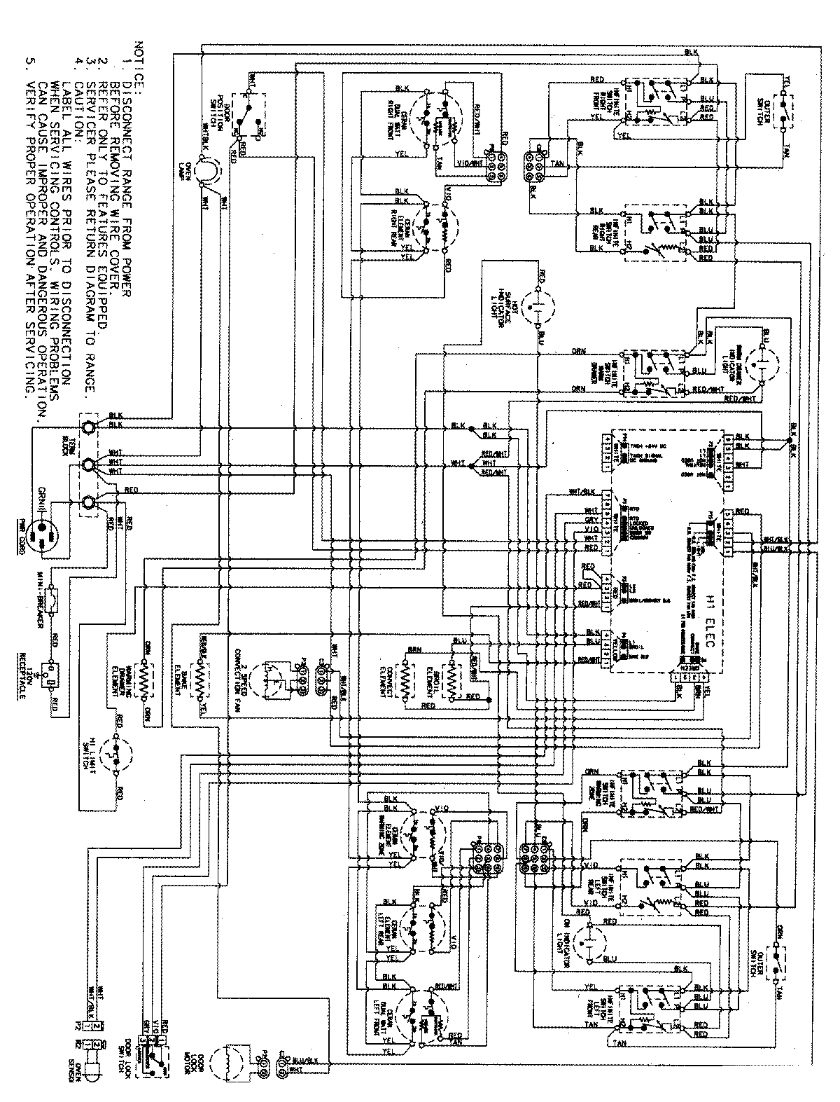
JER8885QCS 06 – WIRING INFORMATIONadmin2025-04-26T09:20:01+00:00JER8885QCS 06 – WIRING INFORMATION ProductsPositionProductNIMAY 15003384