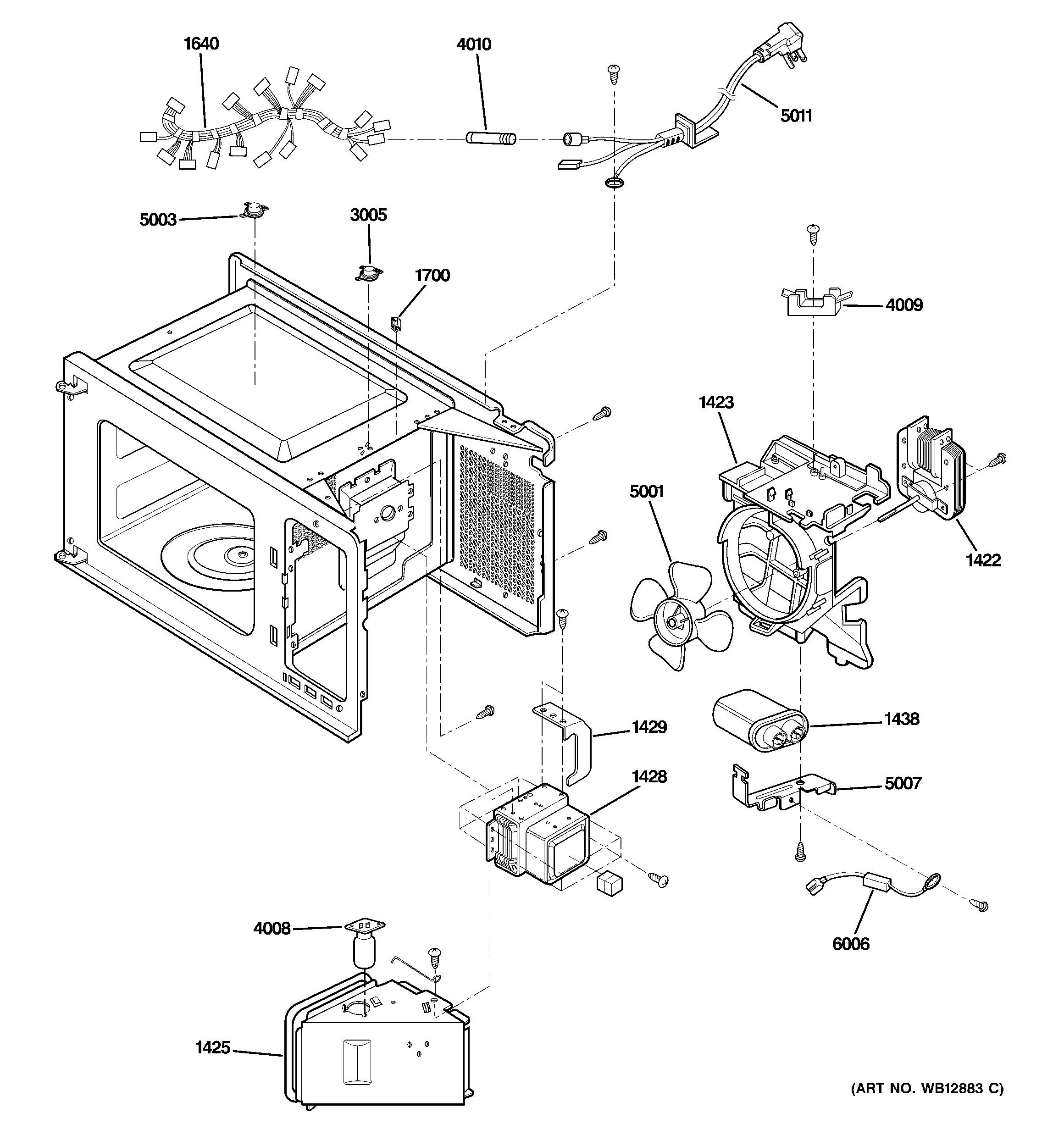
JES1656BH02 INTERIOR PARTS (1)admin2025-04-26T12:05:56+00:00JES1656BH02 INTERIOR PARTS (1) ProductsPositionProduct1422WB26X10144 GE Microwave Fan Motor1423WB38X10146 GE Oven Suction Guide1425GEN WB06X105431428GEN WB27X103091429WB06X10544 GE Oven Insulator1438WB27X11033 GE Oven High Voltage Capacitor1640GEN WB18X102381700WB02X10532 GE Oven Wire Holder3005GEN WB24X101244008WB36X10063 GE Microwave Lamp4009GEN WB06X102054010WB27X10928 GE Oven Line Fuse5001WB38X10078 GE Oven Fan5003GEN WB27X104615007WB06X10306 GE Bracket HVC Microwave5011GEN WB18X102396006DIODE ASSY,DIODE+CAB