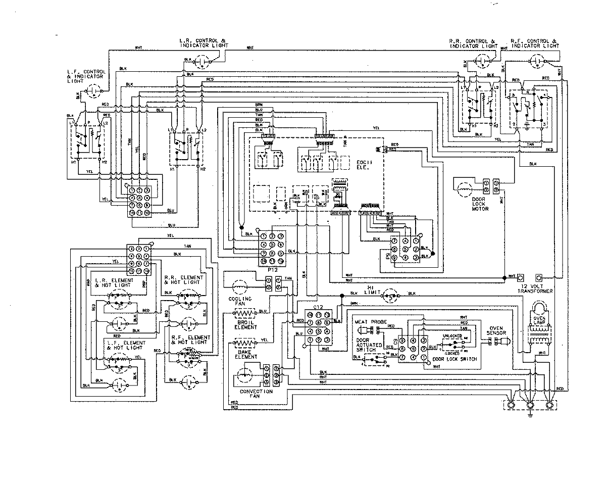
JES8750AAB 06 – WIRING INFORMATION

JES8750AAB 06 – WIRING INFORMATION

Products

PositionProduct
NIMAY 15002801