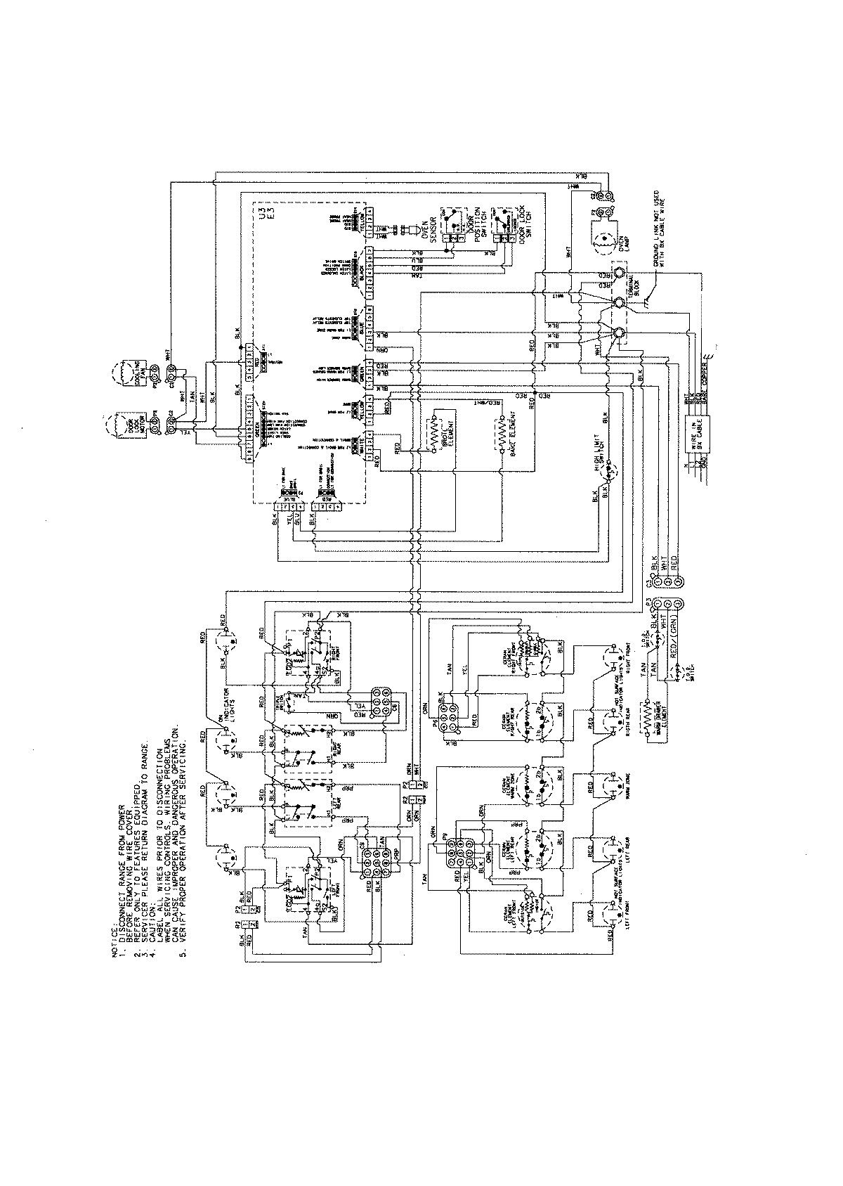
JES8750BAB 07 – WIRING INFORMATIONadmin2025-04-26T09:21:56+00:00JES8750BAB 07 – WIRING INFORMATION ProductsPositionProductNIMAY 15003890