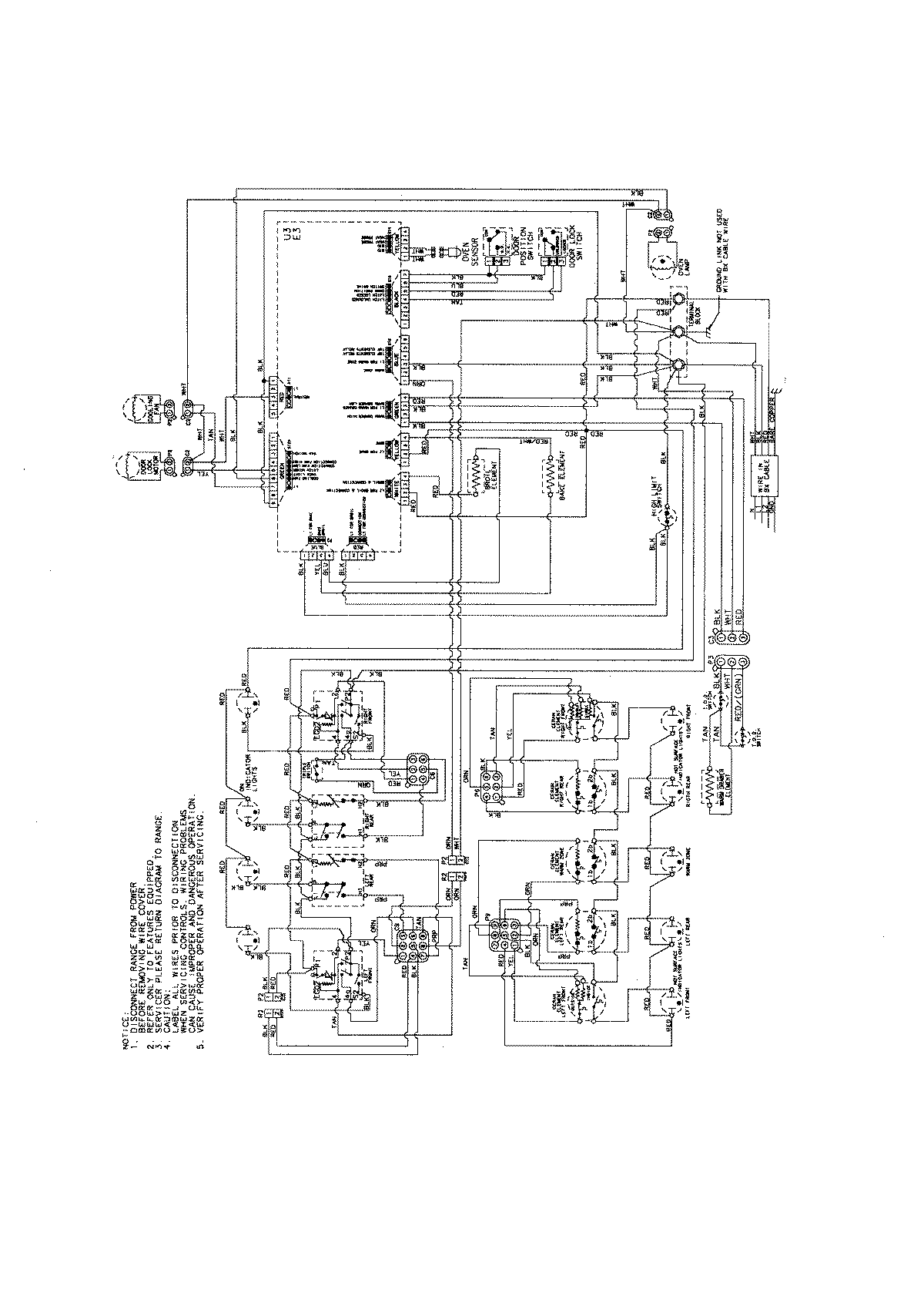
JES8750BAS 07 – WIRING INFORMATIONadmin2025-04-26T09:22:34+00:00JES8750BAS 07 – WIRING INFORMATION ProductsPositionProductNIMAY 15003890