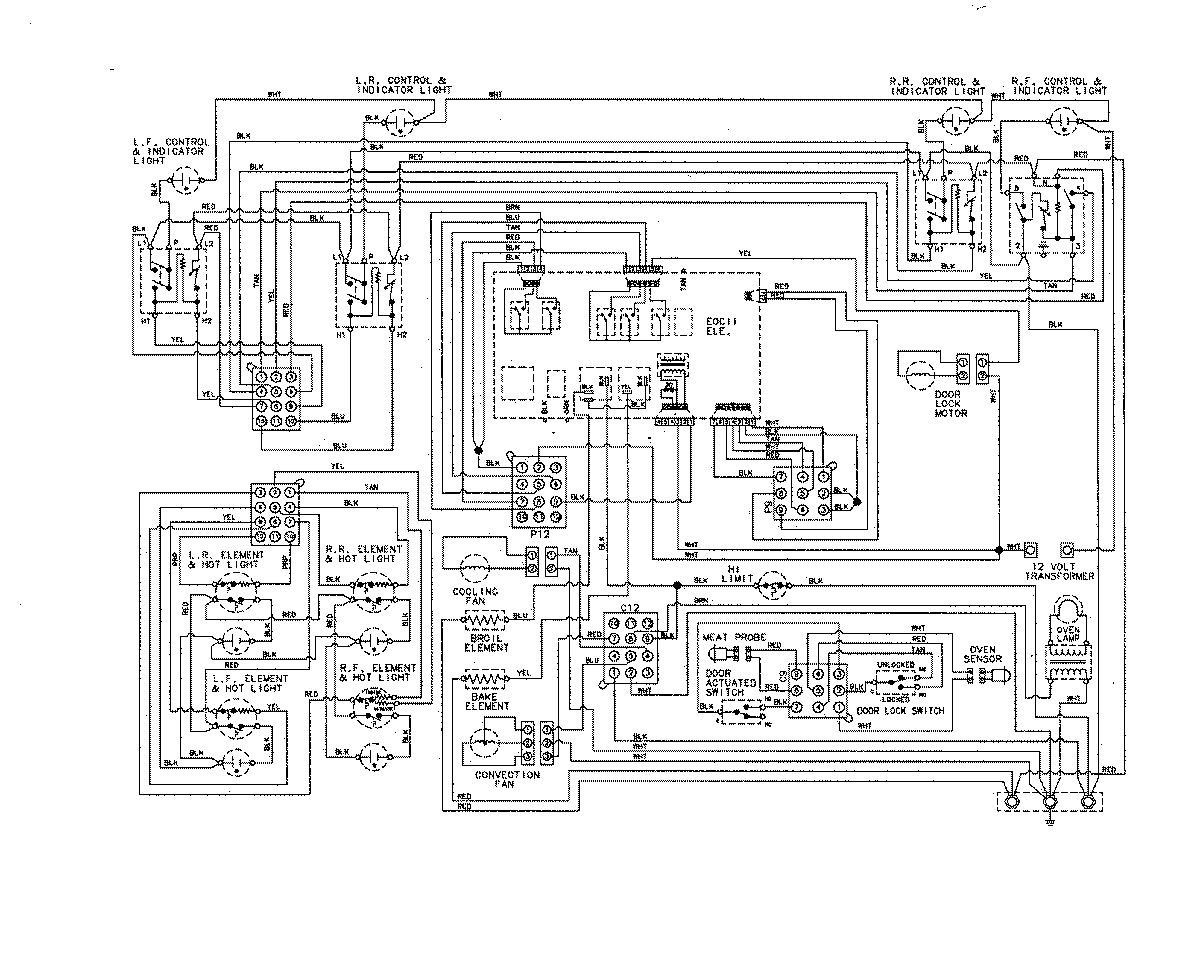
JES8850AAB 06 – WIRING INFORMATIONadmin2025-04-26T09:23:01+00:00JES8850AAB 06 – WIRING INFORMATION ProductsPositionProductNIMAY 15002801NIMAY 15003358