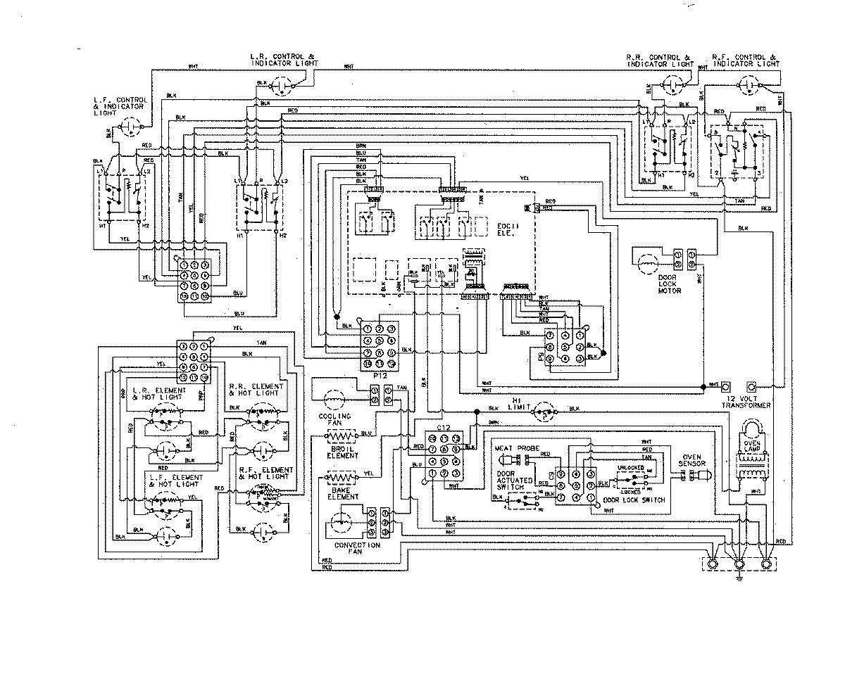
JES8850AAQ 06 – WIRING INFORMATIONadmin2025-04-26T09:22:13+00:00JES8850AAQ 06 – WIRING INFORMATION ProductsPositionProductNIMAY 15002801NIMAY 15003358