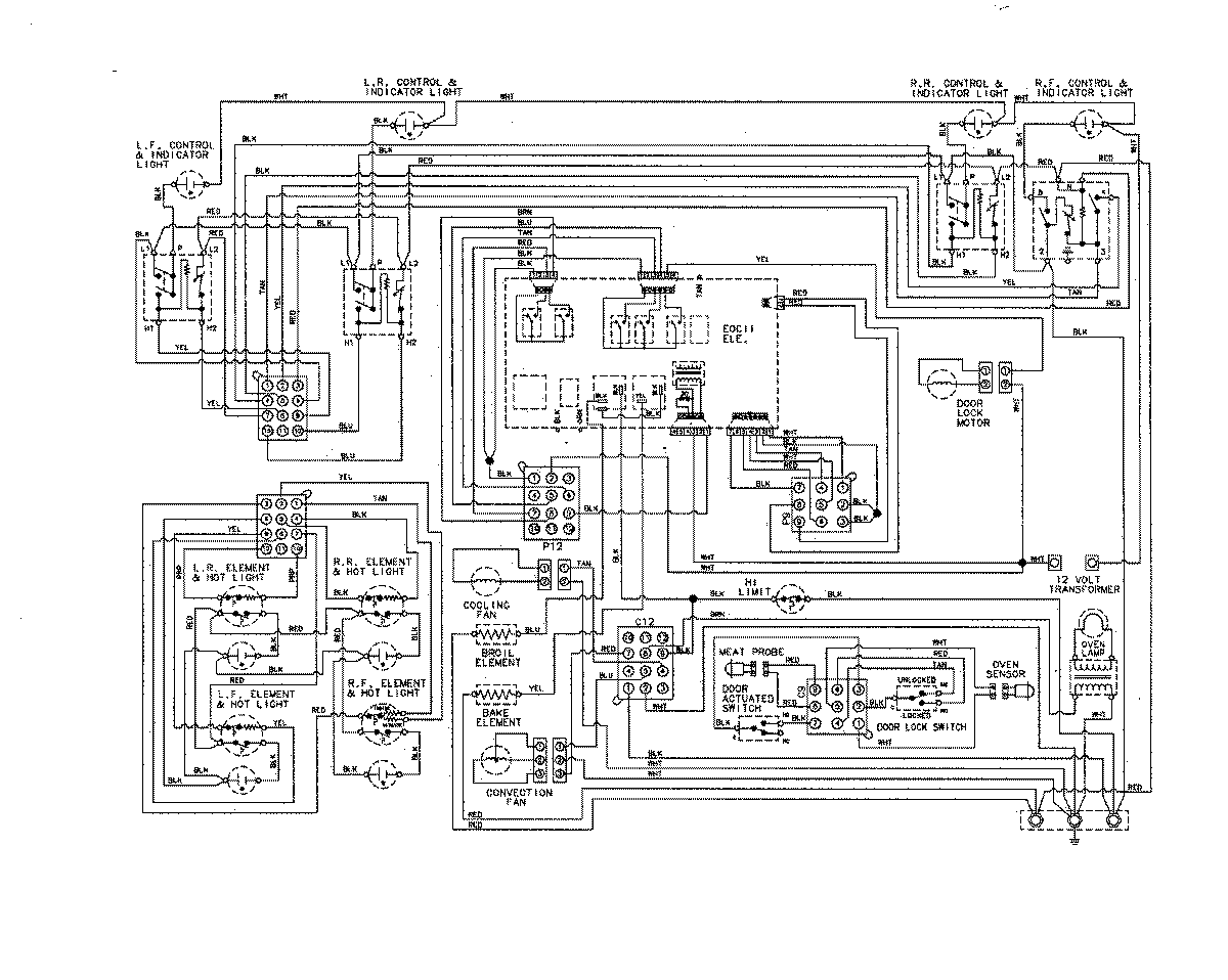
JES8850AAW 06 – WIRING INFORMATIONadmin2025-04-26T09:20:23+00:00JES8850AAW 06 – WIRING INFORMATION ProductsPositionProductNIMAY 15002801NIMAY 15003358