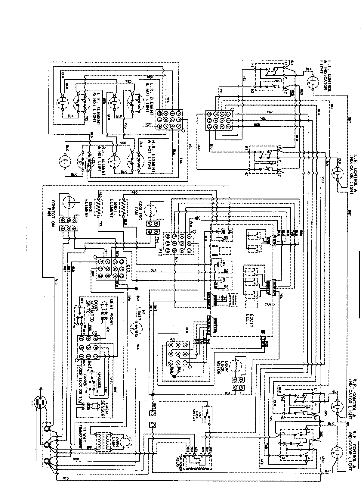
JES8850ACB 06 – WIRING INFORMATIONadmin2025-04-26T09:22:30+00:00JES8850ACB 06 – WIRING INFORMATION ProductsPositionProductNIMAY 15002802