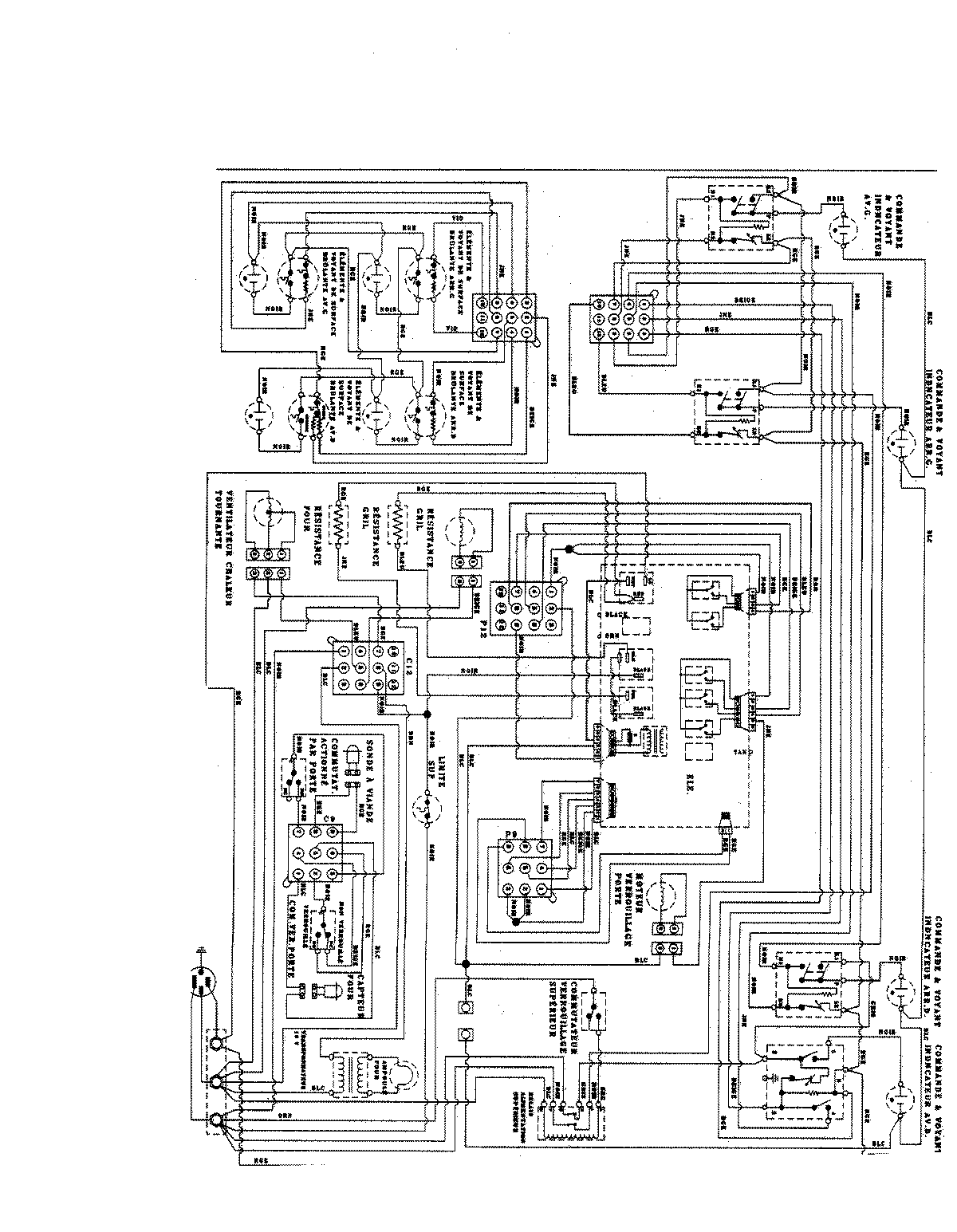
JES8850ACB 07 – WIRING INFORMATIONadmin2025-04-26T09:22:37+00:00JES8850ACB 07 – WIRING INFORMATION ProductsPositionProduct1MAY 15002847