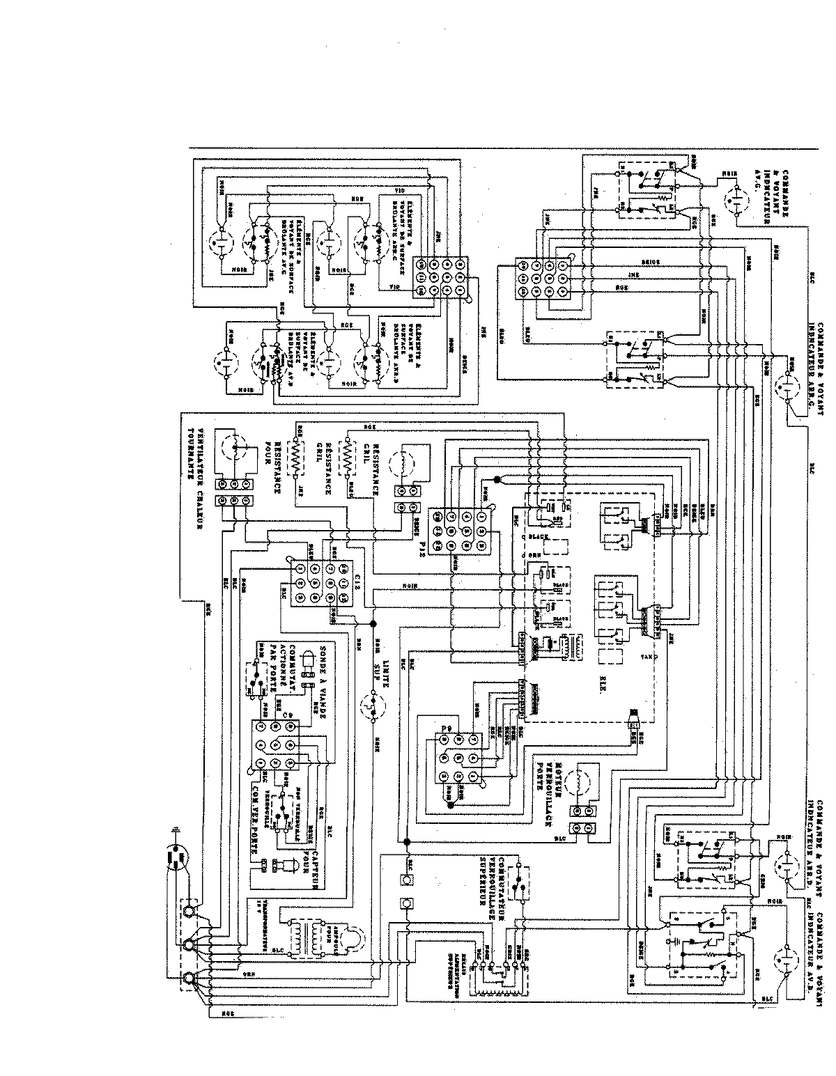
JES8850ACS 06 – WIRING INFORMATIONadmin2025-04-26T09:20:34+00:00JES8850ACS 06 – WIRING INFORMATION ProductsPositionProduct1MAY 15002847