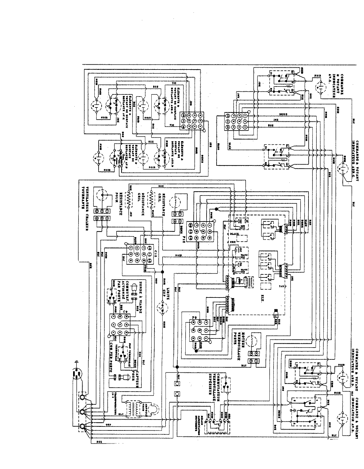
JES8850ACW 07 – WIRING INFORMATIONadmin2025-04-26T09:20:18+00:00JES8850ACW 07 – WIRING INFORMATION ProductsPositionProduct1MAY 15002847