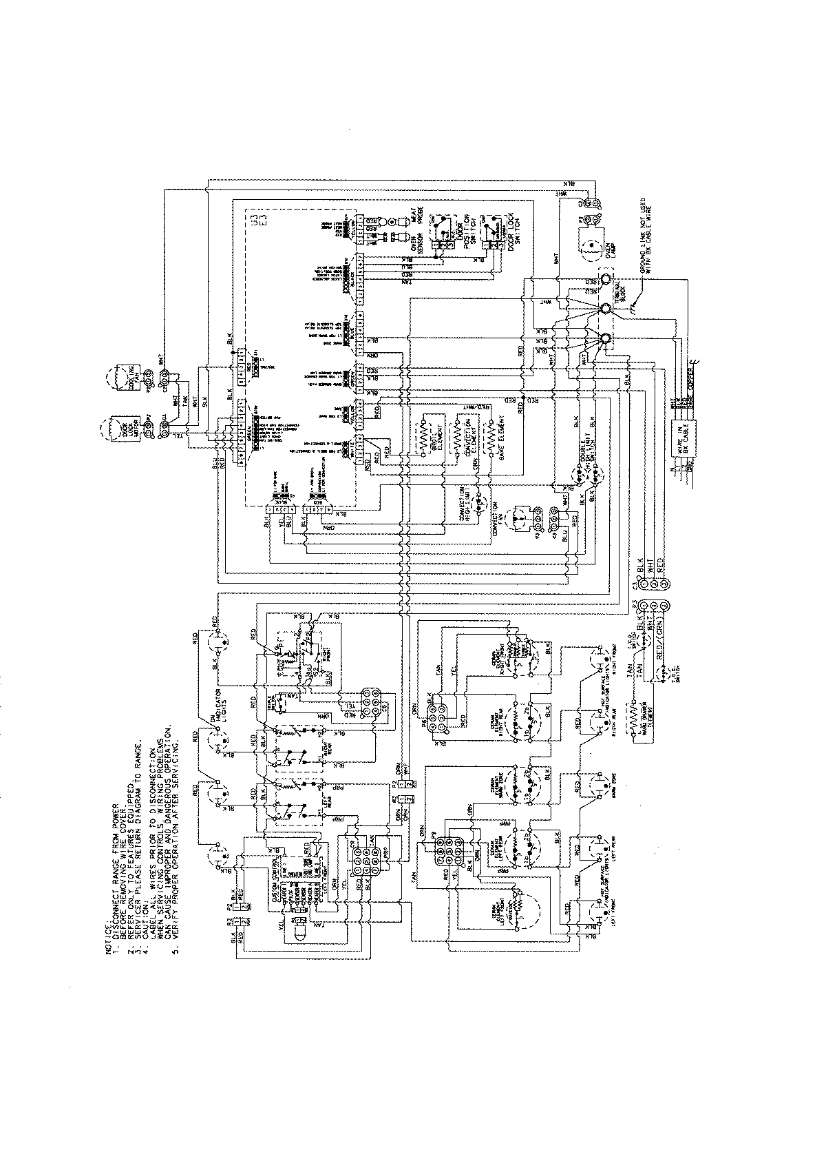
JES8850BAB 08 – WIRING INFORMATIONadmin2025-04-26T09:22:32+00:00JES8850BAB 08 – WIRING INFORMATION ProductsPositionProductNIMAY 15003891