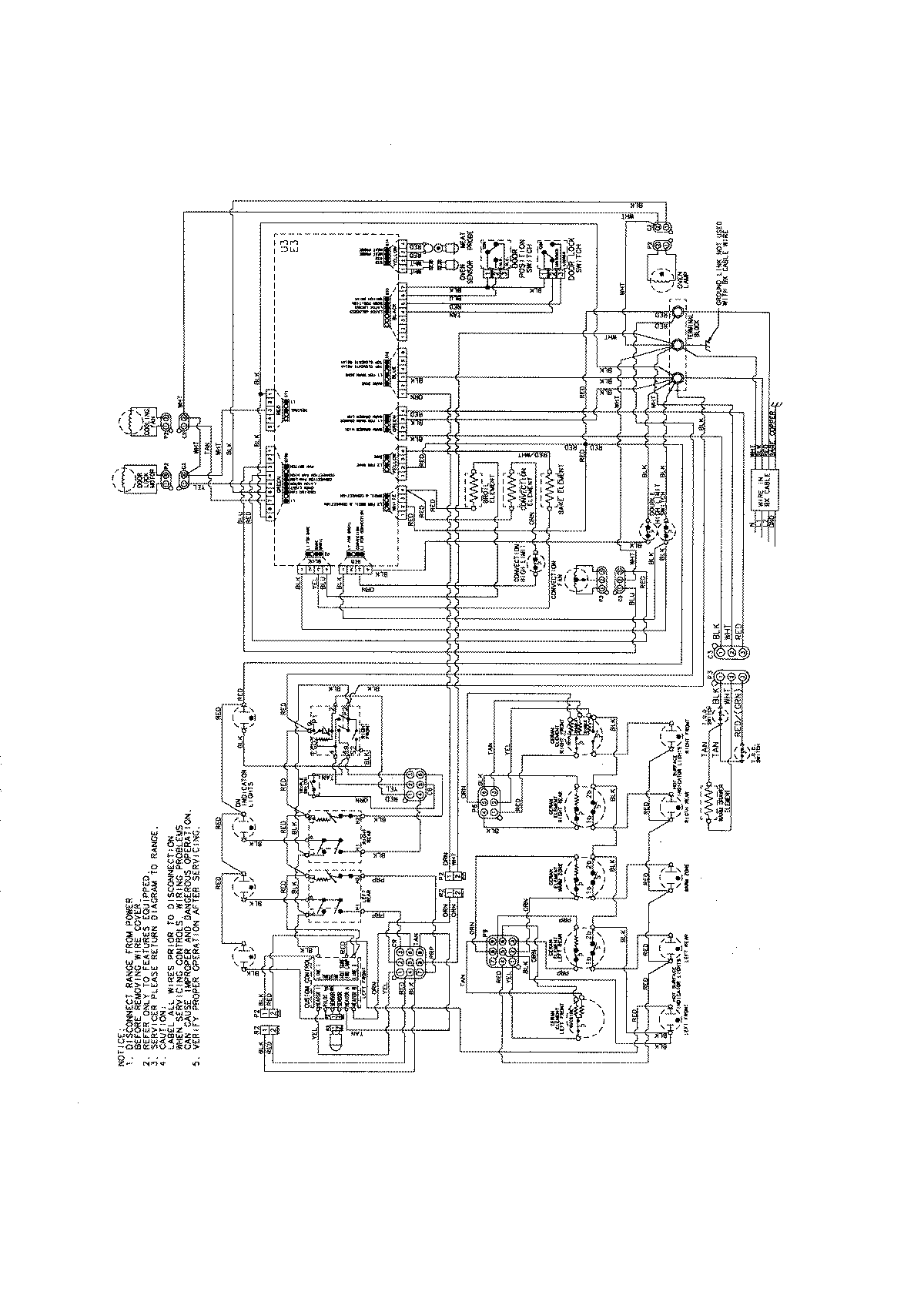
JES8850BAS 08 – WIRING INFORMATIONadmin2025-04-26T09:21:52+00:00JES8850BAS 08 – WIRING INFORMATION ProductsPositionProductNIMAY 15003891