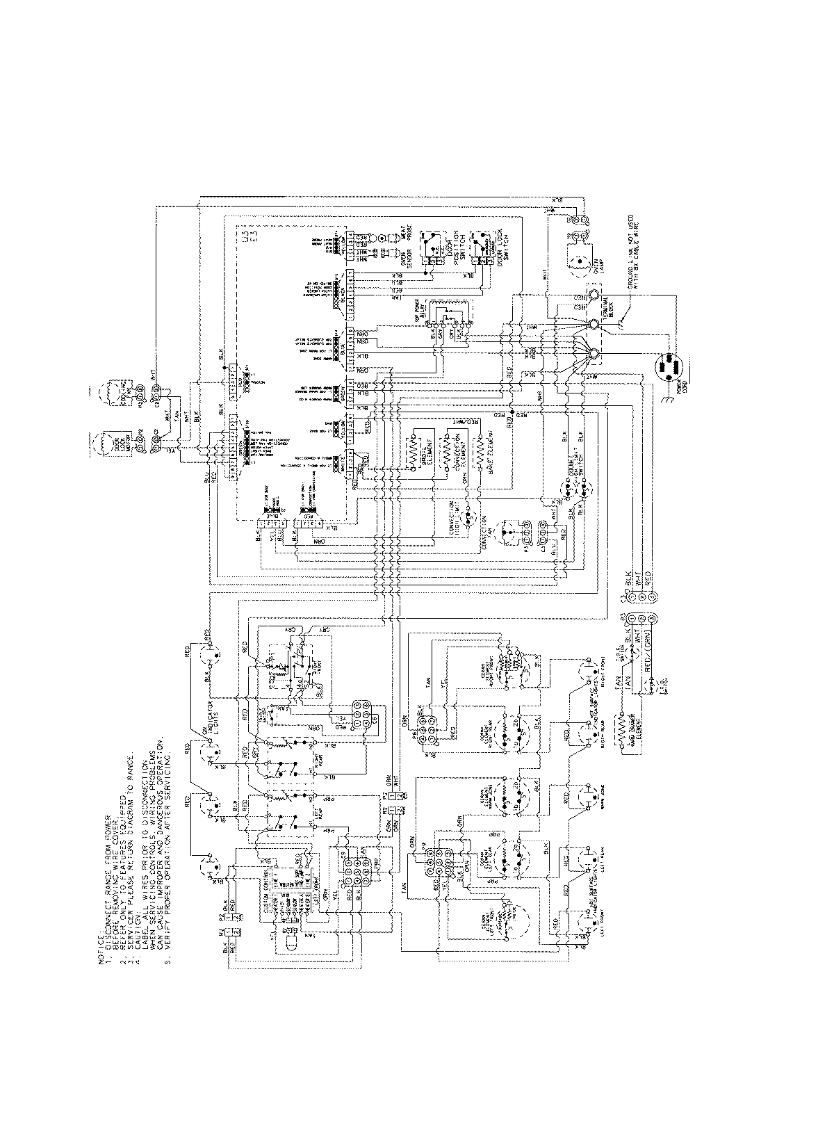
JES8850BCB 08 – WIRING INFORMATIONadmin2025-04-26T09:21:15+00:00JES8850BCB 08 – WIRING INFORMATION ProductsPositionProductNIMAY 15003892