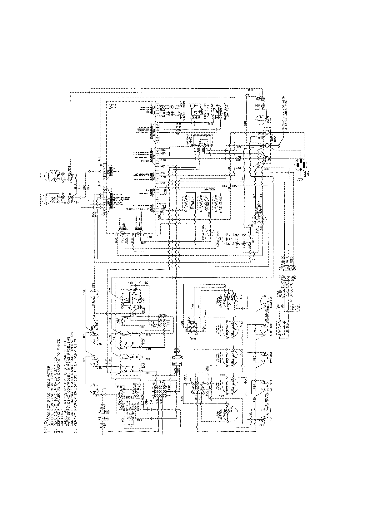
JES8850BCS 08 – WIRING INFORMATIONadmin2025-04-26T09:22:04+00:00JES8850BCS 08 – WIRING INFORMATION ProductsPositionProductNIMAY 15003892