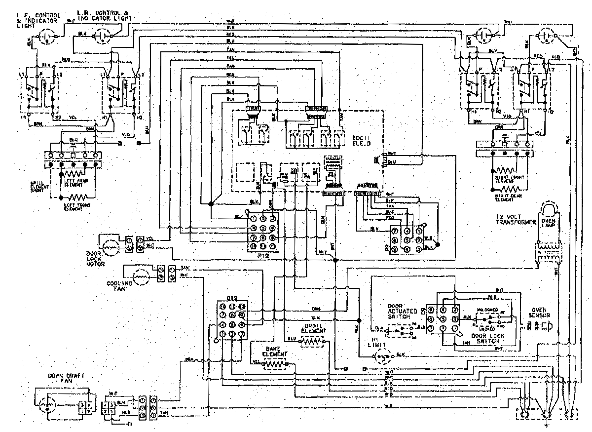
JES9750AAB 06 – WIRING INFORMATIONadmin2025-04-26T09:21:04+00:00JES9750AAB 06 – WIRING INFORMATION ProductsPositionProductNIMAY 15002804NIMAY 15003363