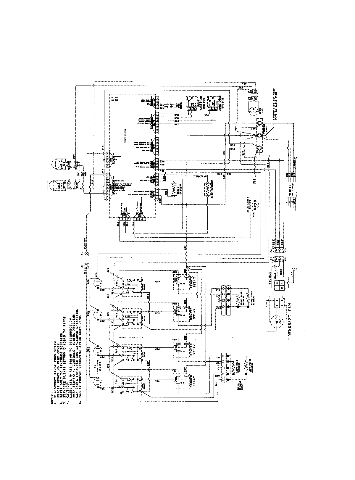
JES9750BAS 08 – WIRING INFORMATIONadmin2025-04-26T09:22:50+00:00JES9750BAS 08 – WIRING INFORMATION ProductsPositionProductNIMAY 15003893