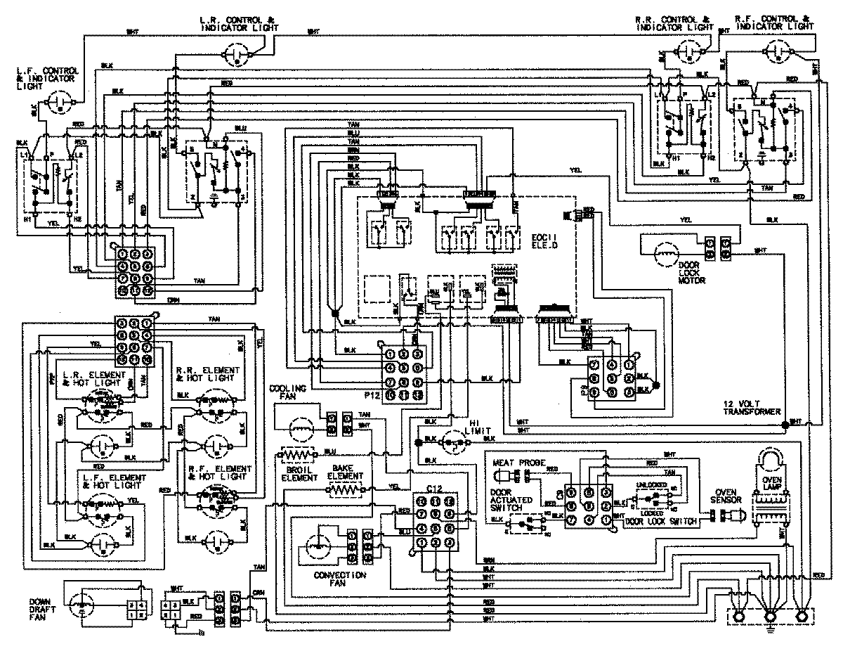
JES9800AAB 06 – WIRING INFORMATIONadmin2025-04-26T09:23:19+00:00JES9800AAB 06 – WIRING INFORMATION ProductsPositionProductNIMAY 15002825NIMAY 15003360