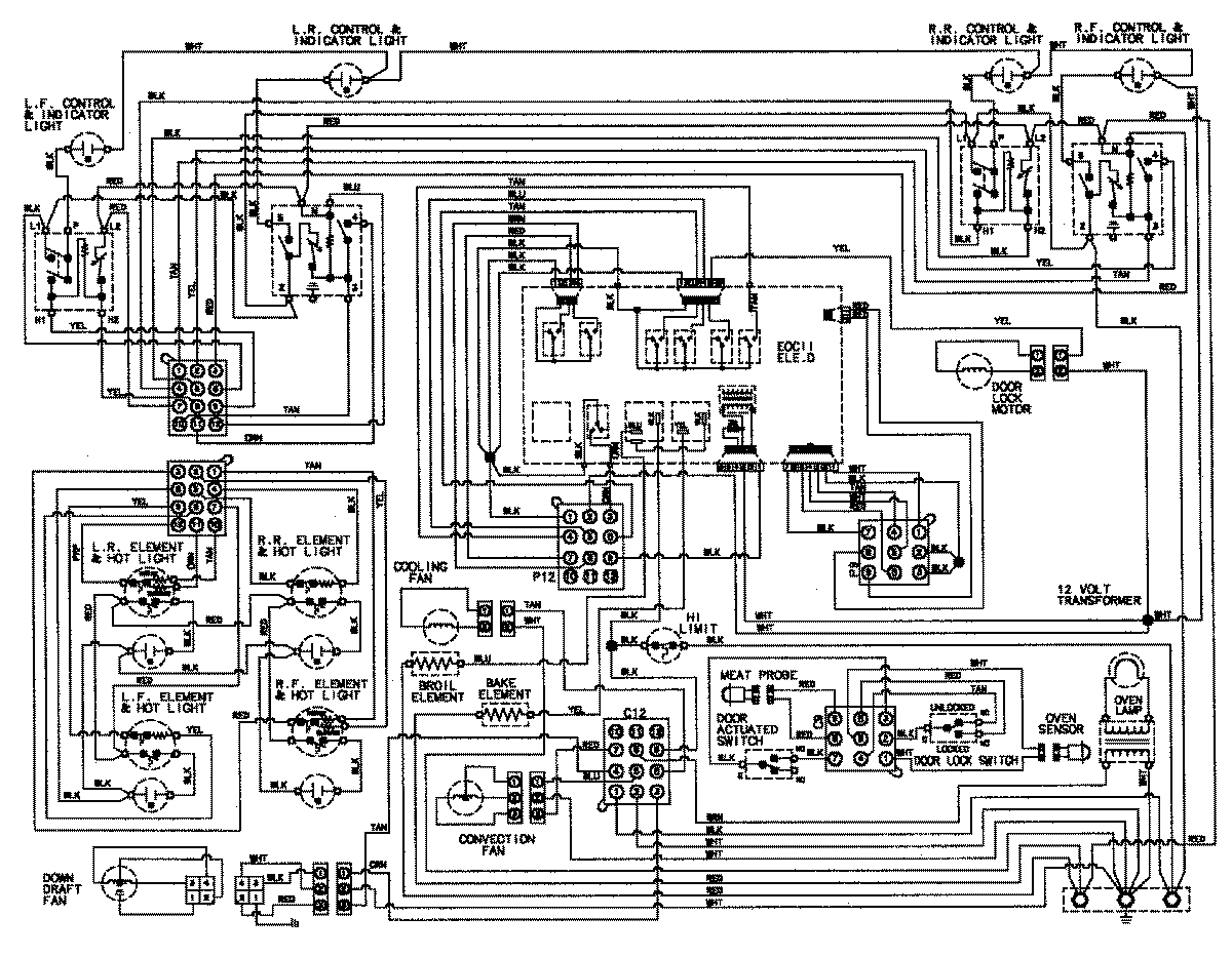
JES9800AAS 06 – WIRING INFORMATIONadmin2025-04-26T09:23:54+00:00JES9800AAS 06 – WIRING INFORMATION ProductsPositionProductNIMAY 15002825NIMAY 15003360