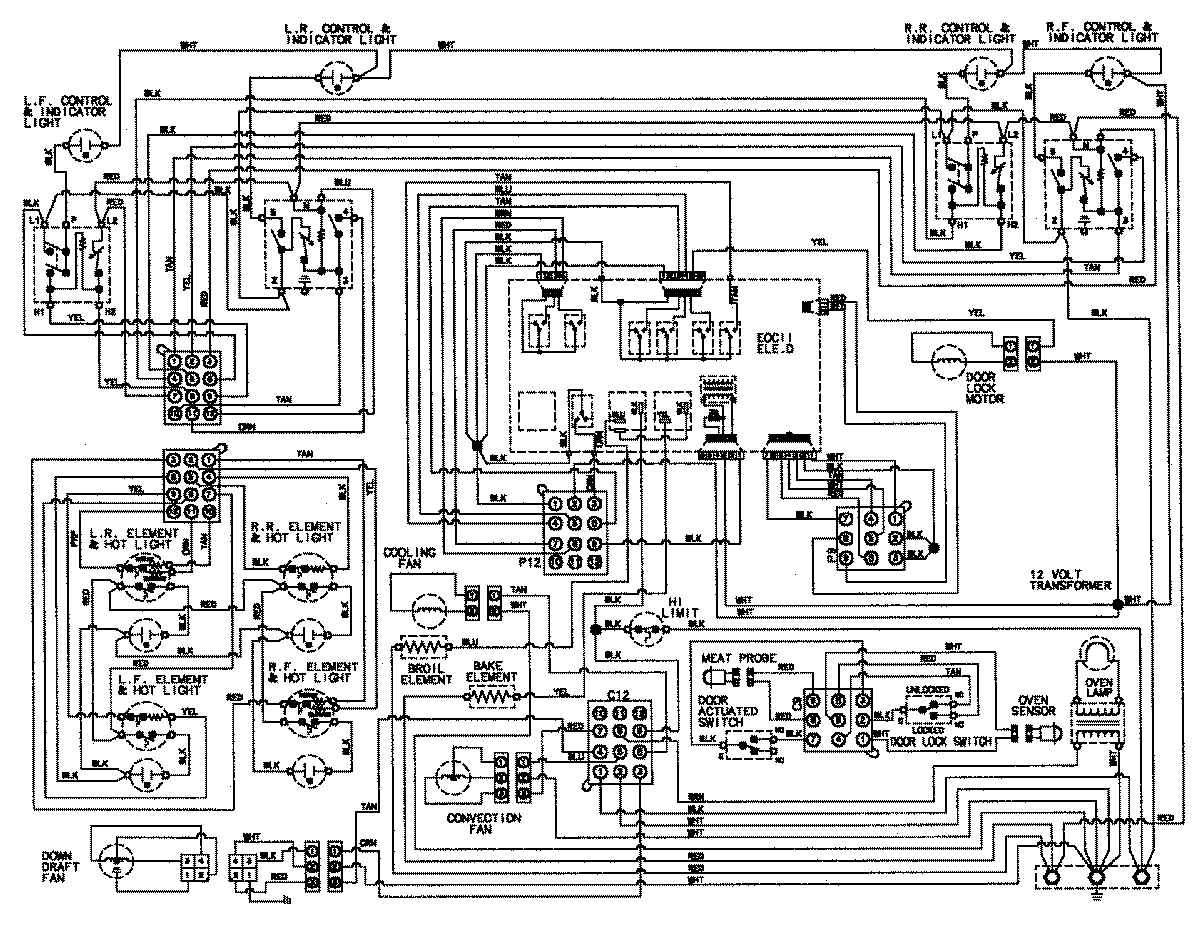
JES9800AAW 06 – WIRING INFORMATION

JES9800AAW 06 – WIRING INFORMATION

Products

PositionProduct
NIMAY 15002825
NIMAY 15003360