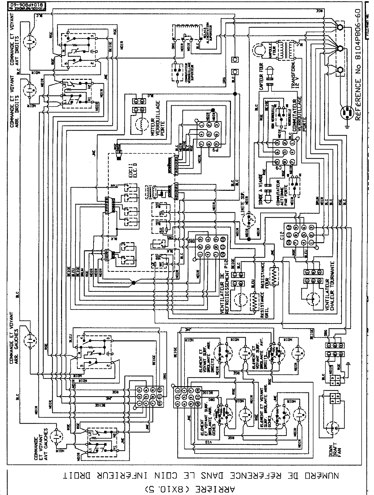
JES9800ACB 06 – WIRING INFORMATIONadmin2025-04-26T09:21:52+00:00JES9800ACB 06 – WIRING INFORMATION ProductsPositionProduct1MAY 15002935