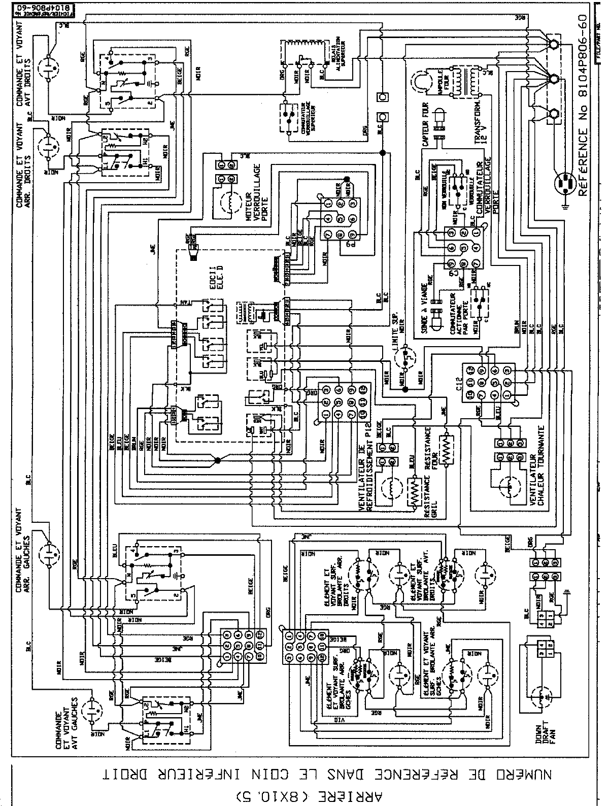
JES9800ACS 06 – WIRING INFORMATIONadmin2025-04-26T09:24:14+00:00JES9800ACS 06 – WIRING INFORMATION ProductsPositionProduct1MAY 15002935