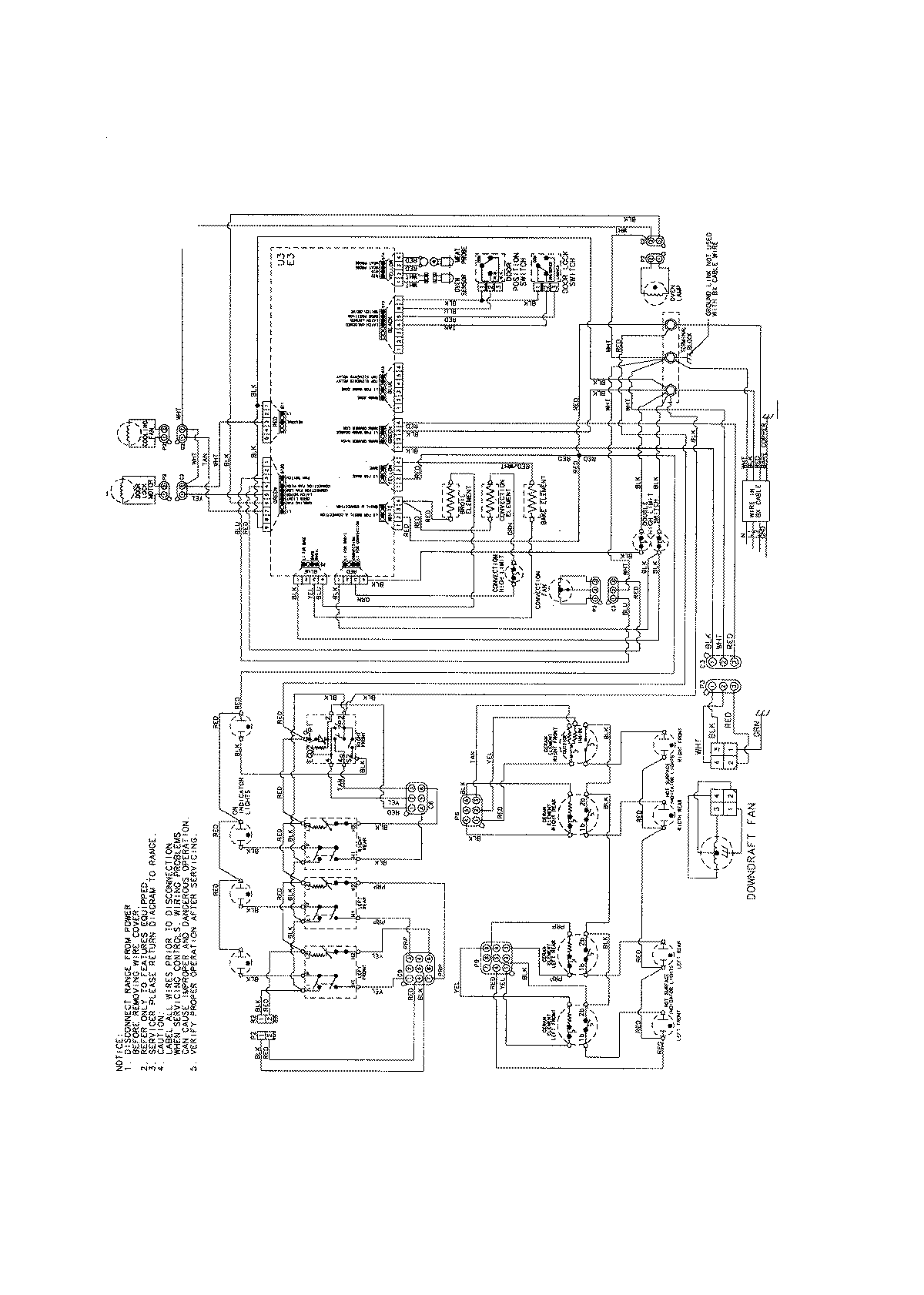
JES9800BAB 08 – WIRING INFORMATIONadmin2025-04-26T09:23:26+00:00JES9800BAB 08 – WIRING INFORMATION ProductsPositionProductNIMAY 15003896