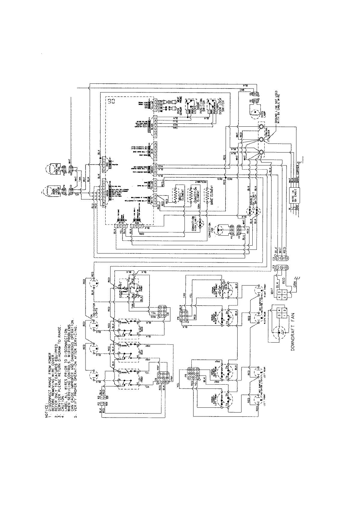
JES9800BAF 08 – WIRING INFORMATIONadmin2025-04-26T09:23:57+00:00JES9800BAF 08 – WIRING INFORMATION ProductsPositionProductNIMAY 15003896