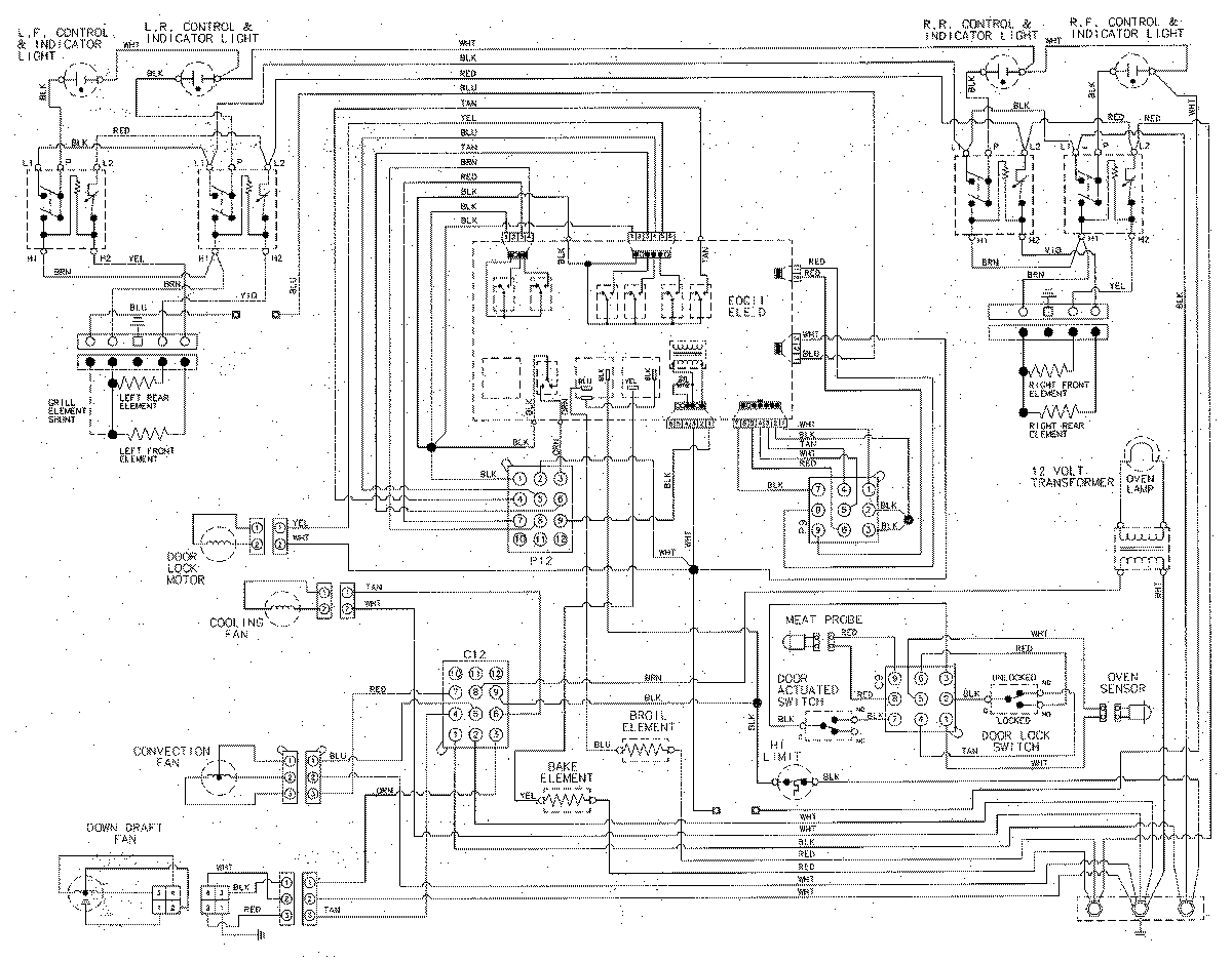
JES9860AAB 06 – WIRING INFORMATIONadmin2025-04-26T09:22:45+00:00JES9860AAB 06 – WIRING INFORMATION ProductsPositionProductNIMAY 15002808NIMAY 15003362