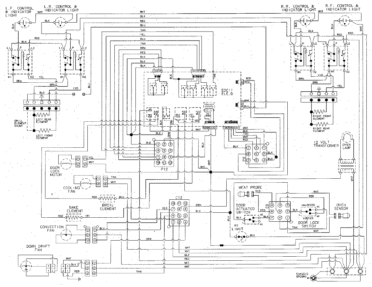
JES9860ACS 06 – WIRING INFORMATIONadmin2025-04-26T09:24:20+00:00JES9860ACS 06 – WIRING INFORMATION ProductsPositionProductNIMAY 150028091MAY 15002810