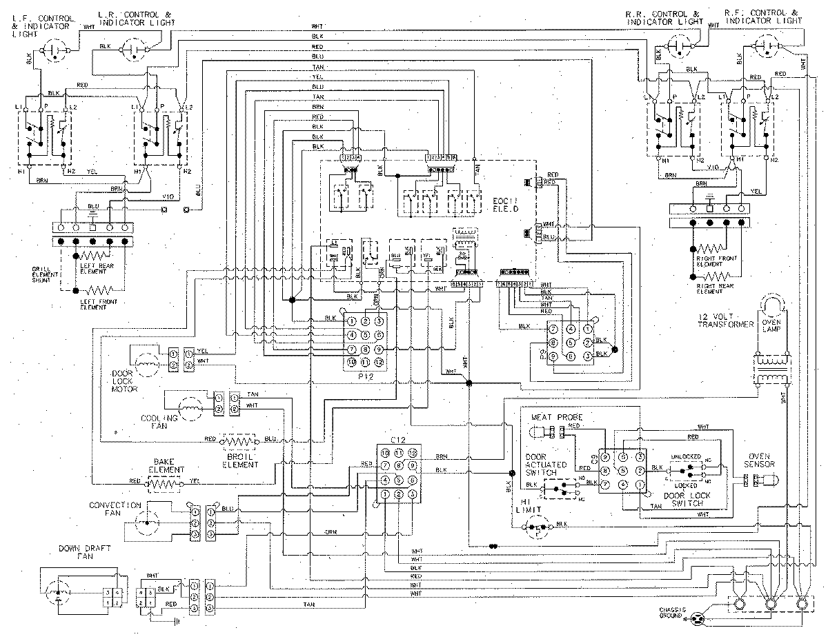
JES9860ACW 06 – WIRING INFORMATIONadmin2025-04-26T09:22:55+00:00JES9860ACW 06 – WIRING INFORMATION ProductsPositionProductNIMAY 150028091MAY 15002810