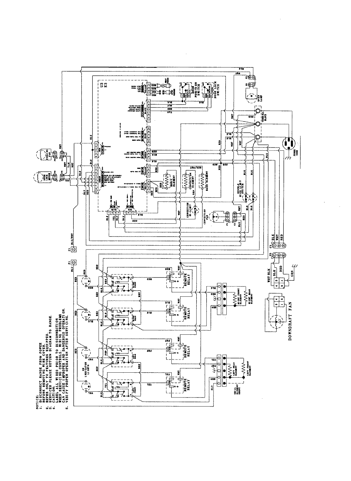
JES9860BCB 08 – WIRING INFORMATIONadmin2025-04-26T09:23:42+00:00JES9860BCB 08 – WIRING INFORMATION ProductsPositionProductNIMAY 15003895