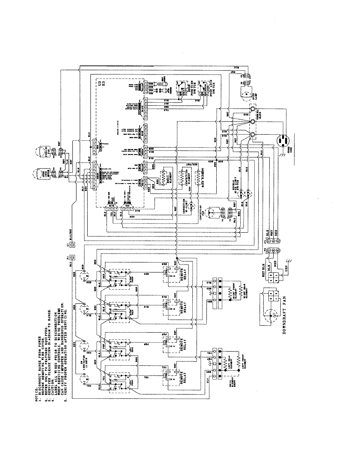
JES9860BCS 08 – WIRING INFORMATIONadmin2025-04-26T09:24:41+00:00JES9860BCS 08 – WIRING INFORMATION ProductsPositionProductNIMAY 15003895