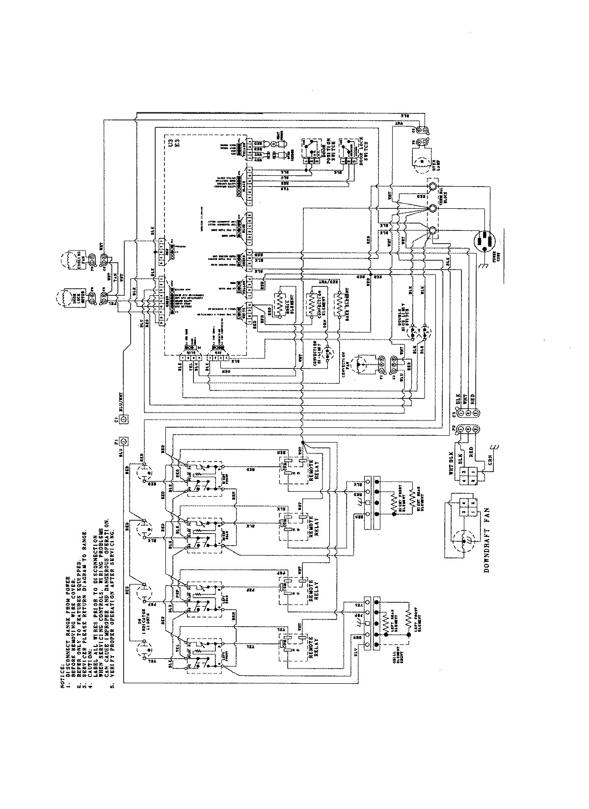
JES9860BCW 08 – WIRING INFORMATIONadmin2025-04-26T09:24:42+00:00JES9860BCW 08 – WIRING INFORMATION ProductsPositionProductNIMAY 15003895