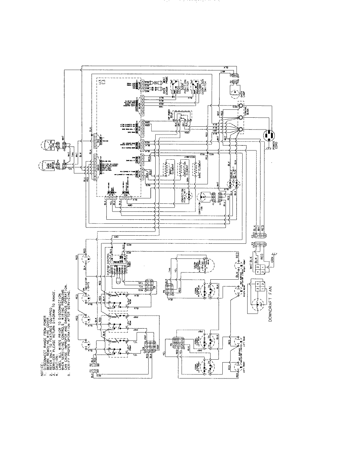
JES9900BCB 08 – WIRING INFORMATIONadmin2025-04-26T09:24:16+00:00JES9900BCB 08 – WIRING INFORMATION ProductsPositionProductNIMAY 15003898