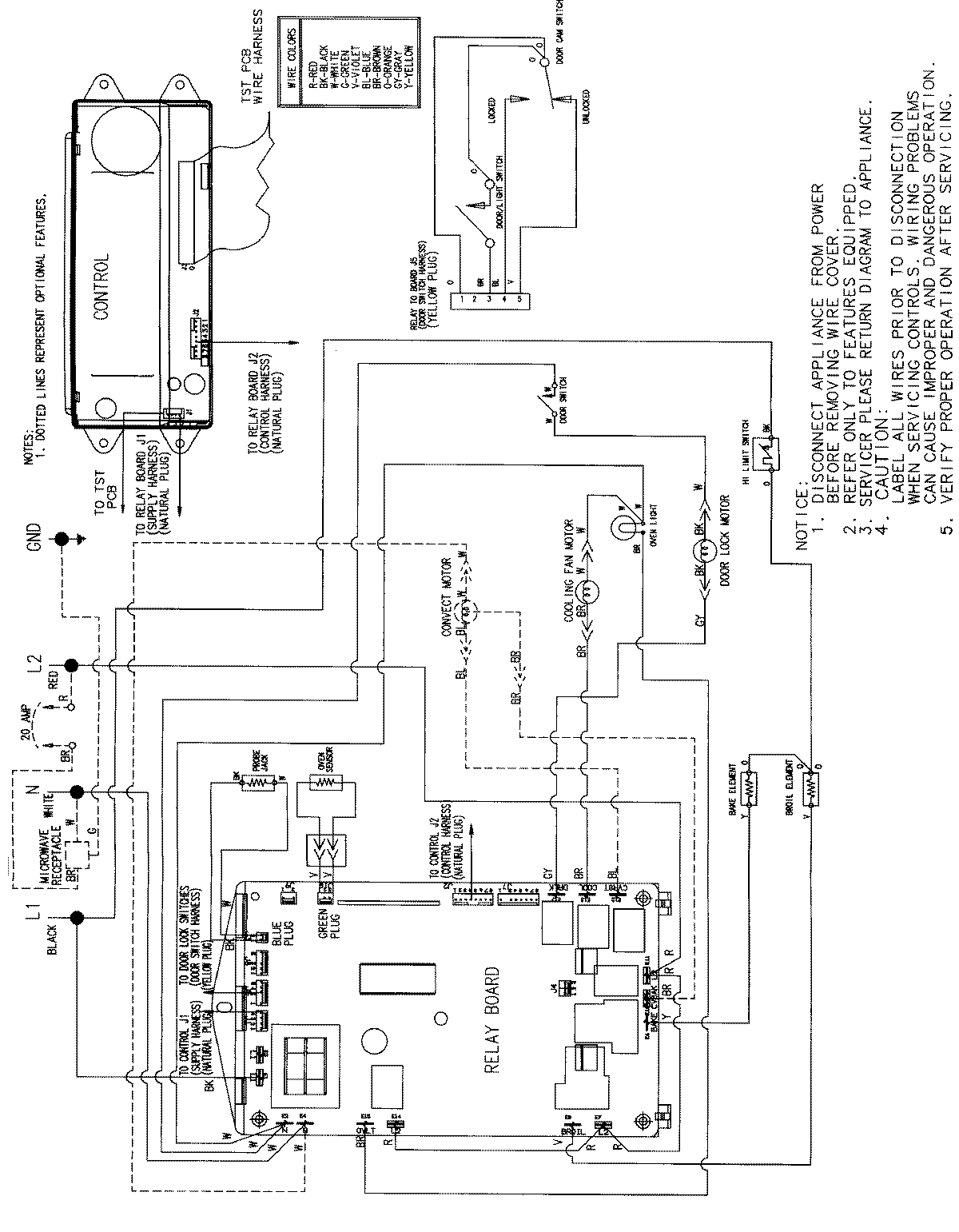
JEW8527AAB 06 – WIRING INFORMATIONadmin2025-04-26T09:24:09+00:00JEW8527AAB 06 – WIRING INFORMATION ProductsPositionProductNIMAY 15002514