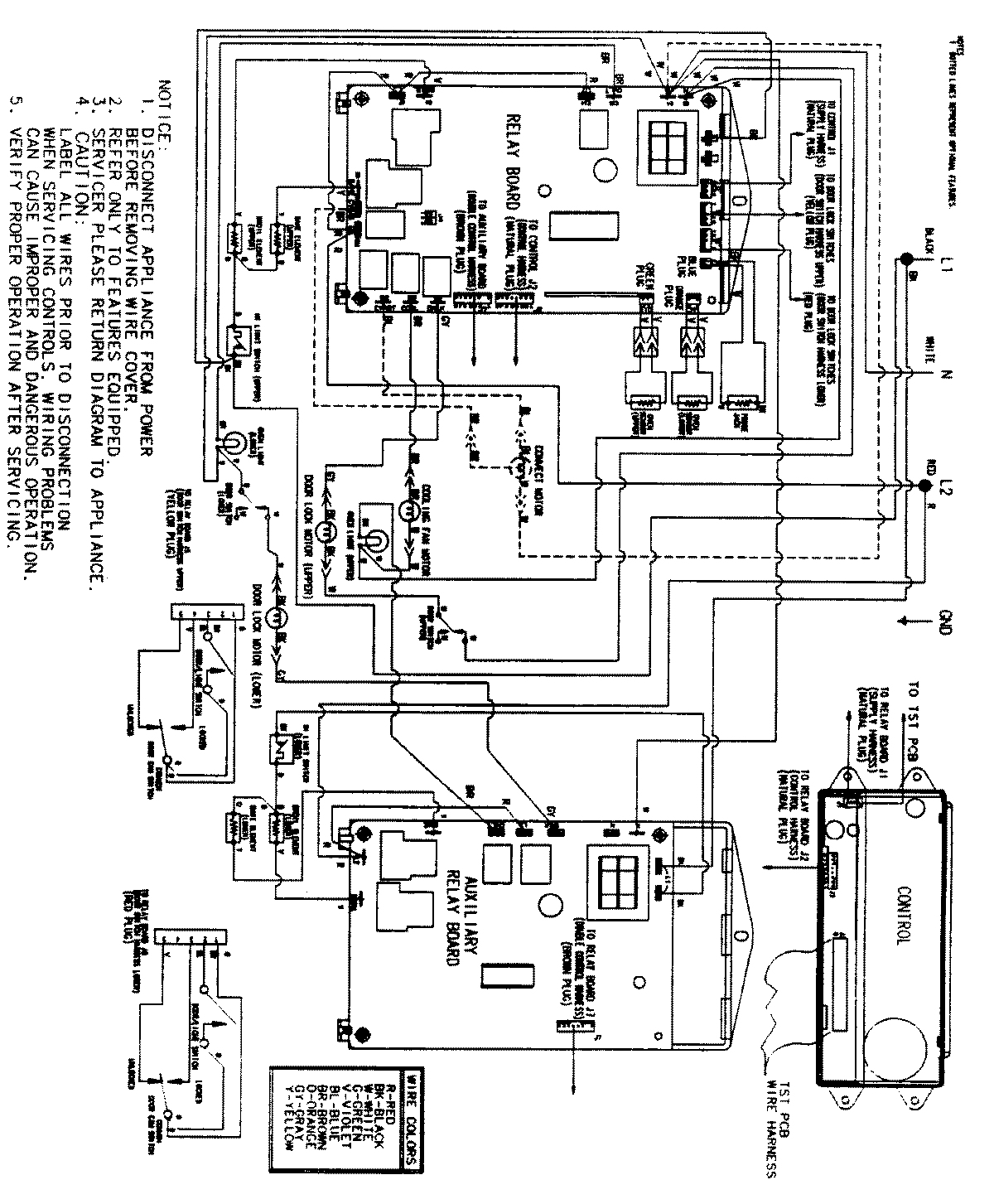
JEW8630AAB 06 – WIRING INFORMATIONadmin2025-04-26T09:23:15+00:00JEW8630AAB 06 – WIRING INFORMATION ProductsPositionProductNIMAY 15002513