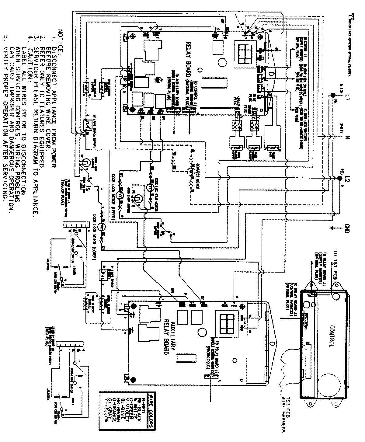
JEW9627AAB 06 – WIRING INFORMATIONadmin2025-04-26T09:24:43+00:00JEW9627AAB 06 – WIRING INFORMATION ProductsPositionProductNIMAY 15002513