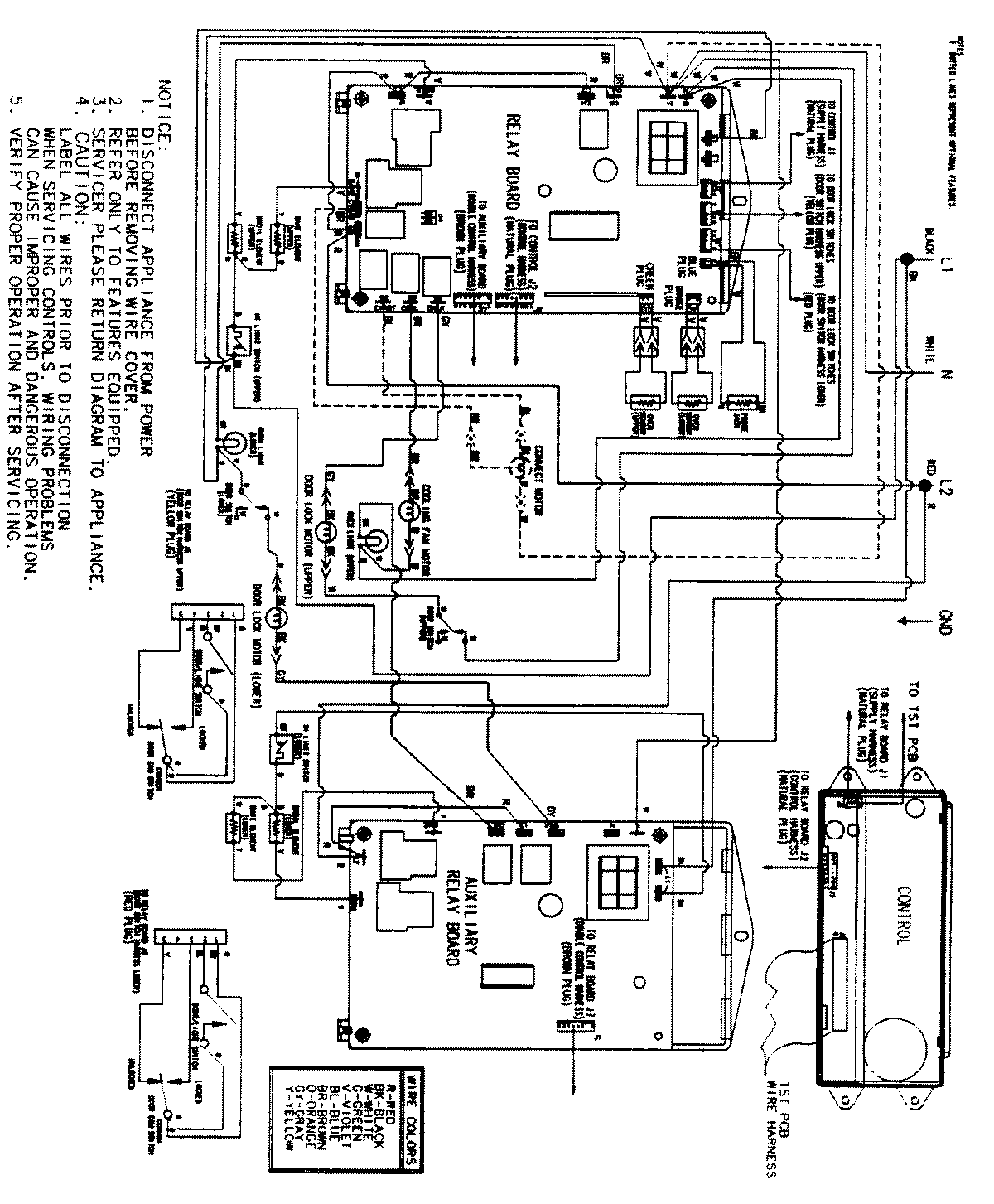
JEW9627AAS 06 – WIRING INFORMATIONadmin2025-04-26T09:25:18+00:00JEW9627AAS 06 – WIRING INFORMATION ProductsPositionProductNIMAY 15002513