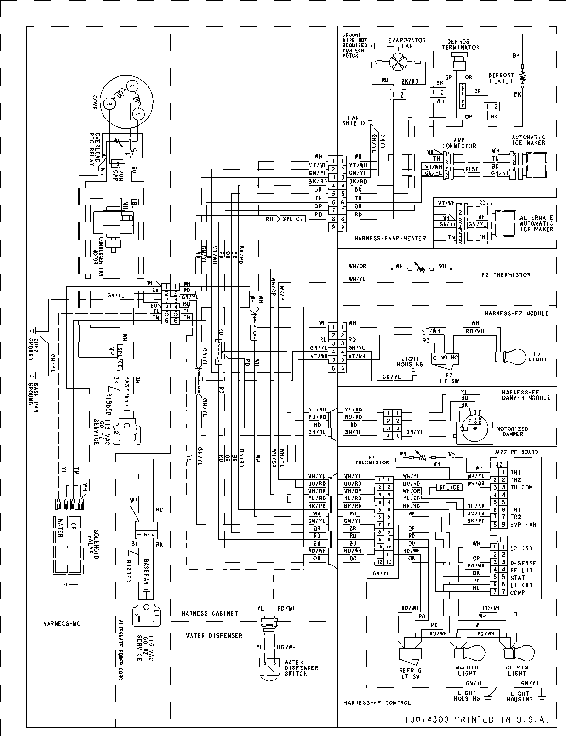
JFC2070KRB 17 – WIRING INFORMATIONadmin2025-04-26T09:26:45+00:00JFC2070KRB 17 – WIRING INFORMATION ProductsPositionProductNIMAY 15003918