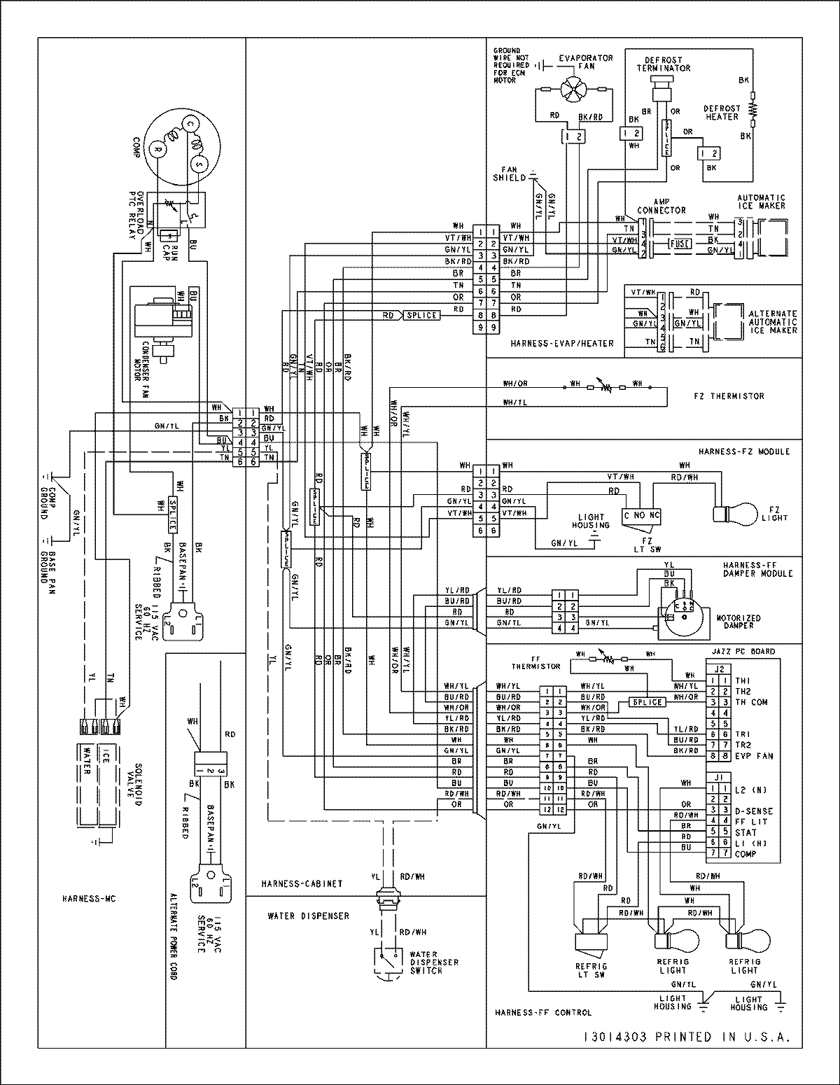
JFC2070KRW 17 – WIRING INFORMATIONadmin2025-04-26T09:27:43+00:00JFC2070KRW 17 – WIRING INFORMATION ProductsPositionProductNIMAY 15003918