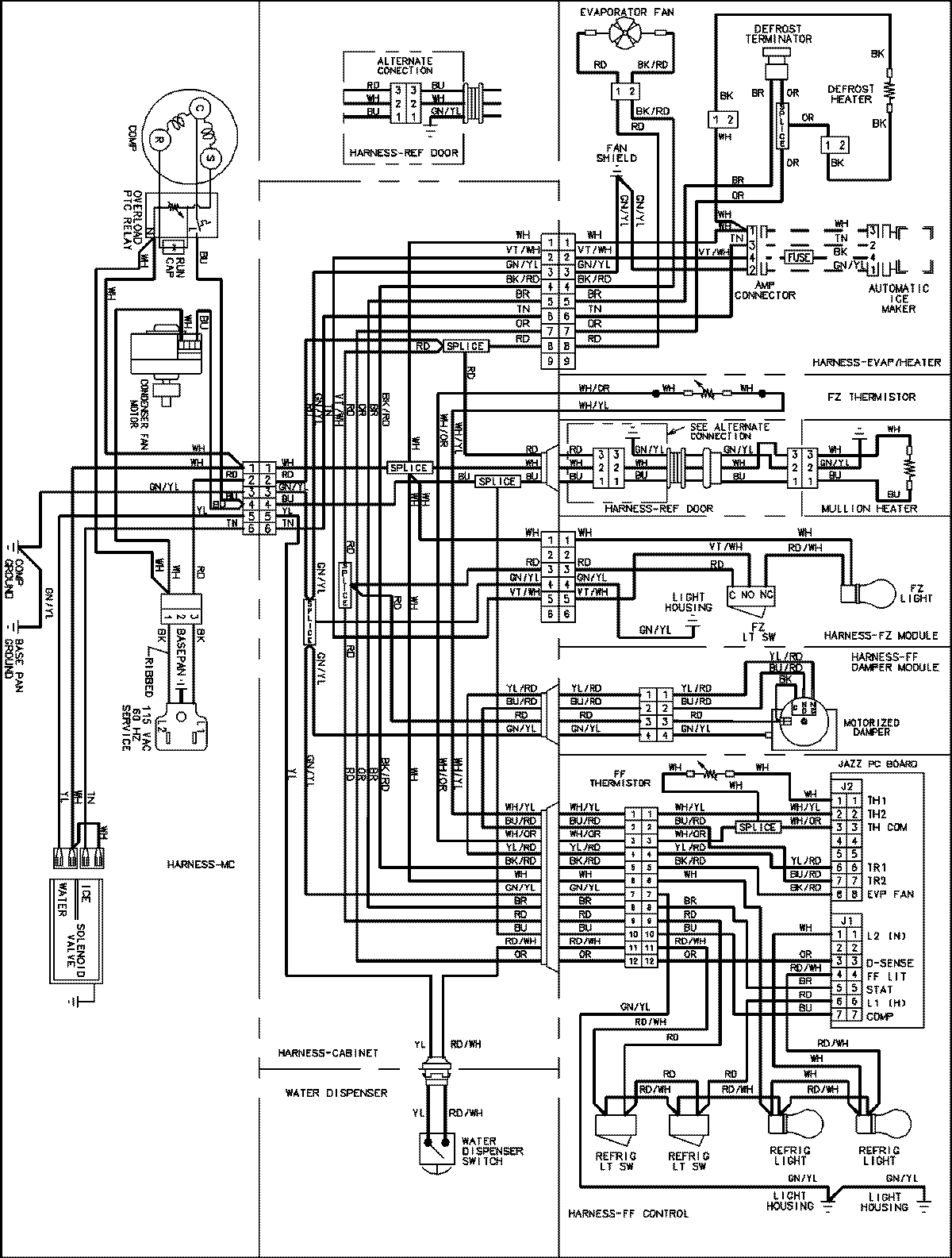
JFC2087HRS 17 – WIRING INFORMATIONadmin2025-04-26T09:28:12+00:00JFC2087HRS 17 – WIRING INFORMATION ProductsPositionProductNIMAY 15003578