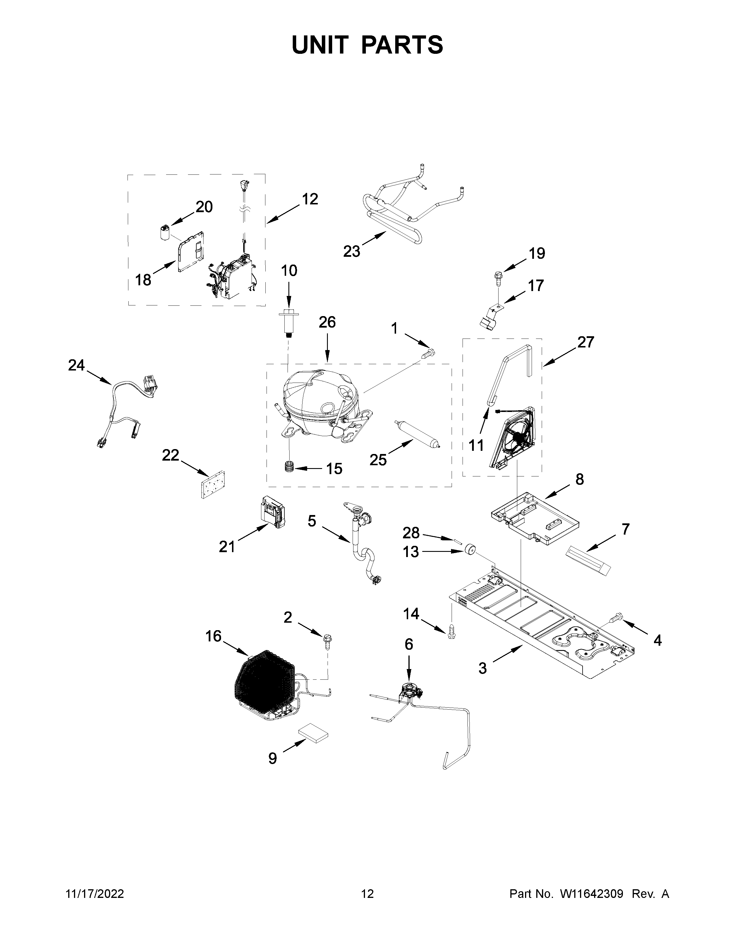
JFFCC72EHL04 07 – UNIT PARTSadmin2025-04-26T11:51:44+00:00JFFCC72EHL04 07 – UNIT PARTS ProductsPositionProductNICABINET (NOT A SERVICEABLE PART)1WPW10141625 Whirlpool Refrigerator Screw Assembly2W10820084 Whirlpool Screw3W11449163 Whirlpool Plate467006425 Whirlpool Refrigerator Screw5ASSEMBLY, DRAIN EXTENSION6W11574310 Whirlpool Valve Assembly6BW11506625 Whirlpool Refrigerator Coupler7W11706809 Whirlpool Insulation8W11490557 Whirlpool Evaporator Tray9W10852725 Whirlpool Refrigerator Grommet10W11417341 Whirlpool Refrigerator Screw11W10683708 Whirlpool Gasket12W11567409-includeCORE Whirlpool W11567409 Refrigerator Electronic Control Board + Core13W10774846 Whirlpool Refrigerator Cabinet Roller14Screw15WPW10169124 Whirlpool Refrigerator Grommet16W11567329 Whirlpool Condenser Assembly17W10391376 Whirlpool Bracket Assembly18COVER, HOUSING19SCREW20FILTER, EMI21W11578028 Whirlpool Refrigerator Inverter Box22W11553819 Whirlpool Refrigerator Insulation23W11646687 Whirlpool Tube Assembly24HARNS-WIRE25BW11506623 Whirlpool Refrigerator Coupler25W11109499 Whirlpool Refrigerator Tube25AW11504445 Whirlpool Refrigerator Coupler26BW11504415 Whirlpool Refrigerator Coupler26CW11506621 Whirlpool Refrigerator Coupler26AW11504431 Whirlpool Microwave Coupler26DW11506635 Whirlpool Refrigerator Valve Coupler26W11578205 Whirlpool Refrigerator Compressor27W11574308 Whirlpool Fan2867006434 Whirlpool Axle Pin