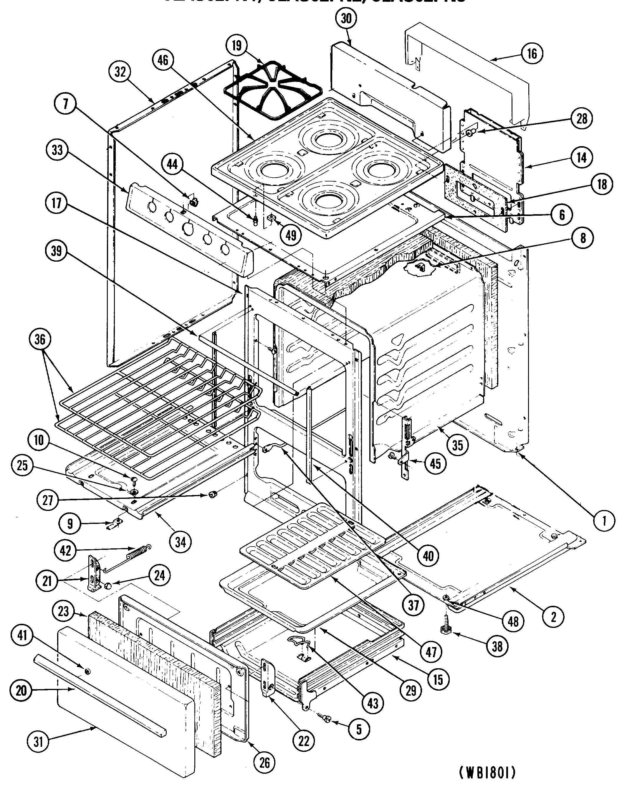
JGAS02PN1 0admin2025-04-26T08:45:47+00:00JGAS02PN1 0 ProductsPositionProduct1GEN WB63X52122GEN WB49X59765GEN WB01X57946GEN WB63X52137CATCH, MAIN TOP8GEN WB02X35419GEN WB02X356110GEN WB01X579514GEN WB38X010215GEN WB58X006016GEN WB01X579716GEN WB61X035116GEN WB01X579617GEN WB63X030918GEN WB38X010319GEN WB32X008720GEN WB01X579821GEN WB14X009422GEN WB14X009523GEN WB0X1013324GEN WB01X579924GEN WB01X127225GEN WB01X580026LINING, BROILER DOOR27GEN WB01X106528GEN WB01X580128GEN WB01X106629GEN WB49X042230GEN WB61X605130GEN WB61X605231GEN WB56X702231GEN WB56X702332GEN WB63X521432GEN WB63X521533GEN WB01X580233GEN WB07X706833GEN WB01X580334GEN WB63X031035OVEN ASSEMBLY36GEN WB48X013737ROD, BROILER RUNNER-LEFT37ROD, BROILER RUNNER-RGHT37GEN WB01X580538GEN WB01X580639SEAL DOOR-TOP40SEAL, DOOR-SIDE41GEN WB02X357742GEN WB09X511442GEN WB09X023443STOP, BROILER44GEN WB14X009645GEN WB10X024945GEN WB10X024845GEN WB01X580746TOP, MAIN-ALMOND46TOP, MAIN-WHITE47GEN WB48X013548GEN WB01X581032767GEN 49-8169